Запчасти Case CX50B (03-012) - HYDRAULIC LINES, LOW (04) - UNDERCARRIAGE

Схема запчастей Case CX50B - (03-012) - HYDRAULIC LINES, LOW (04) - UNDERCARRIAGE
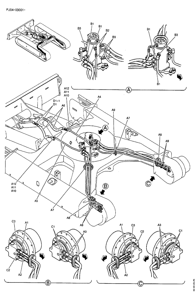
a2
a8
a3
a8
d1-1
c1
b2
b3
a11
a10
a9
a7
a6
a11
a5
b1
a2
c3
a7
c1
b1
d1
c2
c3
a12
a3
a9
a4
a10
b1
b1
a1
a1
a12
c2
b3
b3
a9
FIT
1:1
100%

Артикул

Название

Примечание

Количество

NSS

NOT SOLD SEPARAT

HYD LINES, LOW

1шт.

PY02H00011F1

HYD LINES, LOW

1шт.

a1

HX23L06110DY

HOSE,9.5mm ID x 1100mm L

2шт.

a2

HX33L04120DX

HOSE,6.3mm ID x 1200mm L

2шт.

a3

HX35L08115DX

HOSE,12.7mm ID x 1150mm L

4шт.

a4

PY02H01110P1

TUBE

1шт.

a5

PY02H01111P1

TUBE

1шт.

a6

PH02H01051D4

HOSE,9.5mm ID x 420mm L

2шт.

a7

PY02H01113P1

GROMMET

2шт.

a8

PH02H01109P1

GROMMET

2шт.

a9

PY01P01043D8

CABLE TIE,102mm L

6шт.

a10

ZC26X15009

CLAMP

2шт.

a11

ZS18C08040

SCREW,Hex, M8 x 40mm

CAP

2шт.

a12

ZW26X08000

LOCK WASHER

Lock

2шт.

PH19H00007F1

HYD LINES, SWIVEL

1шт.

b1

HH25S08008G1

HYD CONNECTOR

4шт.

b2

HH25S04004G1

HYD CONNECTOR

2шт.

b3

HH25S06006G1

HYD CONNECTOR

4шт.

PH12H00005F1

HYD LINES, PROPEL

1шт.

c1

HH25S08008G1

HYD CONNECTOR

4шт.

c2

HH25S04002G1

CONNECTION

2шт.

c3

HH25S06004G1

HYD CONNECTOR

2шт.

PH13H00002F1

LINE

HYD, CYLINDER

1шт.

d1

HH25S06006G1

HYD CONNECTOR

2шт.

d1-1

ZD12P01400

O-RING

1шт.

Выбрано товаров: 25