Запчасти Case CX50B (03-013) - DOZER ASSEMBLY (04) - UNDERCARRIAGE

Схема запчастей Case CX50B - (03-013) - DOZER ASSEMBLY (04) - UNDERCARRIAGE
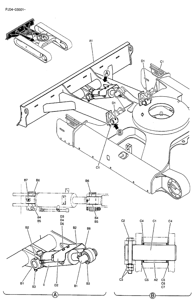
a1
c1
b4
c1
c5
a2
c7
b1
0
b6
b3
b2
c5
d1
c4
d3
b3
b1
c2
d1
b5
c4
b5
b2
b4
d4
b8
b7
c3
d2
b6
d5
c1
c6
FIT
1:1
100%

Артикул

Название

Примечание

Количество

NSS

NOT SOLD SEPARAT

DOZER ASSY

1шт.

0

PY01V00040F1

CYLINDER

CYLINDER ASSY, DOZER

1шт.

SEE (C.P.M.)

1шт.

PY51B00031F1

DOZER BLADE

ASSY

1шт.

a1

PY51B00032P1

DOZER

1шт.

a2

2405T1689

BUSHING,40mm ID x 50mm OD x 60mm L

2шт.

PY51B00041F1

CYLINDER INSTAL

1шт.

b1

YJ51B01009P1

PIN,55mm OD x 150mm L

2шт.

b2

ZS18C12110

SCREW,Hex, M12 x 110mm

CAP

2шт.

b3

ZN18C12010

NUT

4шт.

b4

B16T0442D26

SHIM,90mm OD x 57mm ID x 1.2mm Thk

2шт.

b5

B16T0442D21

SHIM,57mm ID x 90mm OD x 1.6mm Thk

2шт.

b6

B16T0442D22

SHIM,90mm OD x 57mm ID x 2.3mm Thk

2шт.

b7

ZG91S02000

LUBE NIPPLE,1/8" NPT x 1/8" NPT

1шт.

b8

ZG91U02000

LUBE NIPPLE

1шт.

PH51B00003F1

DOZER INSTAL

1шт.

c1

PH51B01001P1

PIN,40mm OD x 137mm L

2шт.

c2

ZS18C10085

SCREW,Hex, M10 x 85mm

CAP

2шт.

c3

ZN18C10008

NUT

4шт.

c4

2445R138D5

SEAL,40mm ID x 50mm OD x 4mm Thk

DUST

4шт.

c5

B16T0442D67

SHIM,65mm OD x 42mm ID x 1.2mm Thk

4шт.

c6

B16T0442D68

SHIM,65mm OD x 42mm ID x 1.6mm Thk

4шт.

c7

B16T0442D69

SHIM,65mm OD x 42mm ID x 2.3mm Thk

4шт.

PY51B00045F1

DOZER GROUP

1шт.

d1

ZG91V02000

LUBE NIPPLE,67 Degree x 1/8" PT

, Serial Range: PJ04-03001-PJ04-03034

2шт.

ZG91U02000

LUBE NIPPLE

, Start Serial: PJ04-03035

2шт.

d2

PX51B01081P1

COVER

1шт.

d3

ZS18C10016

SCREW,Hex, M10 x 16mm

CAP

2шт.

d4

ZW16X10000

WASHER

2шт.

d5

ZW26X10000

LOCK WASHER

2шт.

Выбрано товаров: 30