Запчасти Case CX50B (02-008) - RADIATOR ASSEMBLY (05) - SUPERSTRUCTURE

Схема запчастей Case CX50B - (02-008) - RADIATOR ASSEMBLY (05) - SUPERSTRUCTURE
18
19
10
7
4
29
13
8
24
24
24
20
28
10
22
20
12
6
9
11
20
31
24
20
2
26
24
9
20
5
12
20
20
1
14
19
18
13
27
20
17
3
24
20
15
24
24
20
25
27
30
20
16
24
FIT
1:1
100%

Артикул

Название

Примечание

Количество

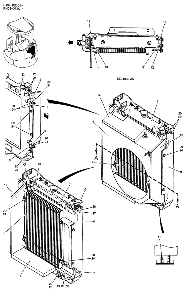
PH05P00023F1

RADIATOR

ASSY

1шт.

1

PH05P00021F1

RADIATOR

ASSY

1шт.

1-1

PM05P00013S002

RADIATOR CAP

Radiator

1шт.

2

PH53V00008P1

OIL COOLER

1шт.

3

PH05P01276P1

BRACKET

1шт.

4

PH05P01274P1

SHROUD

1шт.

5

PH05P01239P1

BRACKET

1шт.

6

PH05P01241P1

BRACKET

1шт.

7

PH05P01244P1

BRACKET

1шт.

8

PH05P01245P1

BRACKET

1шт.

9

PW05P01144P1

PLATE

2шт.

10

PH05P01251P1

SPACER

2шт.

11

PH05P01144P1

RUBBER

2шт.

12

PW22C01105D5

RUBBER

2шт.

13

PH22C01101D1

RUBBER

, Serial Range: PJ04-03001-PJ04-03294

2шт.

13

PH22C01101D1

RUBBER

, Serial Range: PH05-03501-PH05-03683

2шт.

PH22C01101D1

RUBBER

, Serial Range: PJ04-03295-PH05-03684

1шт.

14

PH05P01279P1

FOAM INSULATION

1шт.

15

PH05P01236P1

FOAM INSULATION

1шт.

16

PH05P01254P1

FOAM INSULATION

1шт.

17

PH05P01255P1

FOAM INSULATION

1шт.

18

PH05P01237P1

FOAM INSULATION

2шт.

19

PH05P01238P1

FOAM INSULATION

2шт.

20

ZS18C08020

SCREW,Hex, M8 x 20mm

22шт.

22

ZM61C06030

BOLT

SEMS

2шт.

24

ZW16H08000

WASHER

16шт.

25

PH05P01266P1

BRACKET

1шт.

26

PH05P01268P1

BRACKET

1шт.

27

PH05P01280D1

RUBBER

2шт.

28

PM02C01425P1

WASHER

4шт.

29

YR21C01161P1

WASHER,9mm ID x 22mm OD x 2.3mm Thk

2шт.

30

PH22C01101D2

RUBBER STRIP

RUBBER, Serial Range: PJ04-03295-PH05-03684

1шт.

31

PH22C01101D3

RUBBER STRIP

RUBBER, Serial Range: PJ04-03295-PJ05-03684

1шт.

Выбрано товаров: 33