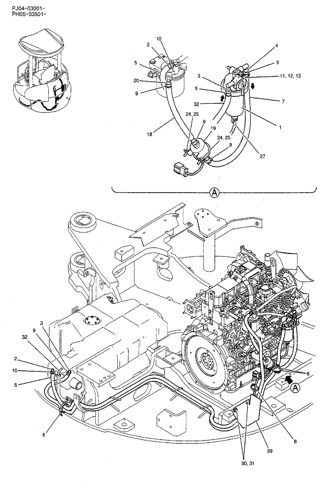
Запчасти Case CX50B (02-013) - FUEL LINES (05) - SUPERSTRUCTURE

Схема запчастей Case CX50B - (02-013) - FUEL LINES (05) - SUPERSTRUCTURE
11
31
4
5
9
29
8
9
13
1
12
25
27
5
10
9
18
9
10
20
3
7
25
8
24
3
2
2
19
9
30
24
32
8
32
9
FIT
1:1
100%

Артикул

Название

Примечание

Количество

PH21P00003F1

FUEL LINES

1шт.

1

PH02P01056P1

SEPARATOR

ASSY, WATER

1шт.

2

PH21P01008D1

HOSE,7mm ID x 2450mm L

1шт.

3

PA21P01004DN

HOSE

1шт.

4

PA21P01004D6

HOSE

1шт.

5

PW21P01003DA

TUBE

1шт.

7

PU13E01002D7

TUBE

1шт.

8

PY01P01043D3

CABLE TIE,188mm L

4шт.

9

PH05P01088D5

CLIP

6шт.

10

PH05P01088D6

CLIP

CLIP

2шт.

11

ZS18C08075

SCREW,Hex, M8 x 75mm

CAP

1шт.

12

ZW16X08000

WASHER,8mm ID x 17mm OD x 1.6mm Thk

1шт.

13

ZW26X08000

LOCK WASHER

Lock

1шт.

18

PU13E01002D4

TUBE

1шт.

19

PV22P00001P1

FUEL PUMP

1шт.

20

PA21P01004D3

HOSE

1шт.

24

ZS18C06016

SCREW,Hex, M6 x 16mm

CAP

2шт.

25

ZW16X06000

WASHER

2шт.

27

HX11Y04050DX

HOSE,6mm ID x 500mm L

1шт.

29

PH21P01004P1

COVER

, Serial Range: PJ04-03001-PJ04-04723

1шт.

29

PH21P01004P1

COVER

, Serial Range: PH05-03501-PH05-04234

1шт.

PH21P01004P2

COVER, Serial Range: PJ04-04724-PH05-04235

1шт.

30

ZS18C10020

SCREW,Hex, M10 x 20mm

Cap

2шт.

31

ZW16X10000

WASHER

2шт.

32

PU13E01002DM

TUBE

1шт.

Выбрано товаров: 25