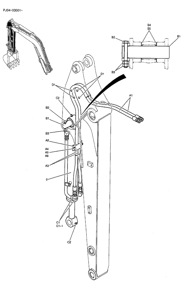
Запчасти Case CX50B (04-009) - HYDRAULIC LINES, ARM 1.56M (5FT 1IN) Attachments

Схема запчастей Case CX50B - (04-009) - HYDRAULIC LINES, ARM 1.56M (5FT 1IN) Attachments
a4
b4
a1
c1
b3
b2
c1-1
0
b2
b1
c2
d1
a2
c2
a5
d1
b1
b3
a3
b5
a6
FIT
1:1
100%

Артикул

Название

Примечание

Количество

NSS

NOT SOLD SEPARAT

HYD LINES, ARM 1.56M

1шт.

0

PH01V00034F1

HYDRAULIC CYLINDER,Double Acting, 45mm Rod, 546mm Stroke

ASSY, BUCKET

1шт.

SEE (C.P.M.)

1шт.

PY43H00018F1

HYD LINES, ARM

1шт.

a1

PY43H01016D1

HOSE,12.7mm ID x 1550mm L

, Serial Range: PJ04-03001-PJ04-04193

2шт.

YJ42H01133DH

HOSE

HOSE, Start Serial: PJ04-04194

2шт.

a2

PH43H01033P1

CLAMP

1шт.

a3

2414Z199D020

PROTECTIVE SLEEVE

GUARD, Serial Range: PJ04-03001-PJ04-04193

2шт.

2414Z199D100

PROTECTIVE SLEEVE

HOSE, Start Serial: PJ04-04194

2шт.

a4

ZS18C08020

SCREW,Hex, M8 x 20mm

2шт.

a5

ZW26X08000

LOCK WASHER

Lock

2шт.

a6

ZW16H08000

WASHER

2шт.

PH12B00034F1

CYLINDER ASSY.

INSTAL

1шт.

b1

PH12B01084P1

PIN

1шт.

b2

HS18C12090G1

SCREW

CAP

1шт.

b3

ZN18C12010

NUT

2шт.

b4

YJ12B01043P1

SHIM,0.5mm Thk

2шт.

b5

B16T0442D61

SHIM,47mm ID x 70mm OD x 0.9mm Thk

1шт.

PY43H00020F1

HYD LINES, CYLINDER

1шт.

c1

HH25S08008G1

HYD CONNECTOR

2шт.

c1-1

ZD12P01800

O-RING

1шт.

c2

ZG91U02000

LUBE NIPPLE

2шт.

PX43H01021F1

CAP ASSY

1шт.

d1

PX43H01022P1

CAP

CAP

4шт.

Выбрано товаров: 24