Запчасти Case CX50B (02-031) - HYDRAULIC LINES, RETURN P/N PH32H00004F1 (05) - SUPERSTRUCTURE

Схема запчастей Case CX50B - (02-031) - HYDRAULIC LINES, RETURN P/N PH32H00004F1 (05) - SUPERSTRUCTURE
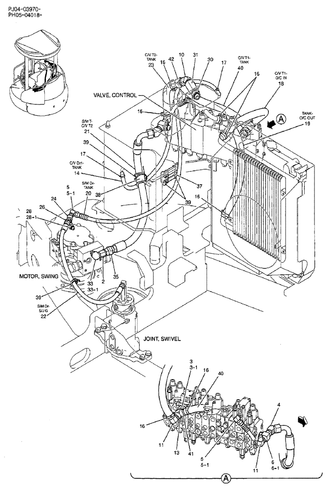
5-1
17
3-1
28
5
40
31
38
4
19
33
23
42
39
16
22
5
40
17
11
20
6-1
16
16
39
16
14
39
28-1
30
41
16
16
26
33-1
35
5-1
37
6
3
13
24
10
21
2
18
11
FIT
1:1
100%

Артикул

Название

Примечание

Количество

PH32H00004F1

HYD LINES, RETURN

1шт.

2

YR03H01151P1

HYD CONNECTOR

1шт.

3

HH25R16008G1

HYD CONNECTOR

1шт.

3-1

ZD12P02900

O-RING

1шт.

4

HH45S12008G1

ELBOW

1шт.

5

HH35S06004G1

90 ELBOW

CONNECTOR

2шт.

5-1

ZD12P01400

O-RING

1шт.

6

PY30H01008P1

TEE,PF 1/2" x PF 1/2"

1шт.

6-1

ZD12P01800

O-RING

1шт.

10

HH45S12012G1

ELBOW

1шт.

11

PW32H01028P1

ELBOW

2шт.

13

HH55Q08008G3

TEE,PF 1/2" x PF 1/2", O-Ring

1шт.

14

PW68H01023D3

HOSE,9.5mm ID x 880mm L

1шт.

16

ZC16X02800

CLIP

8шт.

17

ZC16X01800

CLIP

2шт.

18

PW32H01026D7

HOSE,19mm ID x 490mm L

1шт.

19

PW32H01026D2

HOSE,19mm ID x 560mm L

1шт.

20

PW68H01023DE

HOSE,9.5mm ID x 1600mm L

1шт.

21

HX32L12080DX

HOSE

1шт.

22

HX22L06064DY

HOSE,9.5mm ID x 640mm L

1шт.

23

PW32H01026D8

HOSE

HOSE

1шт.

24

2444Z4239

TEE

1шт.

26

HH25S06004G1

HYD CONNECTOR

1шт.

28

2444Z2894

90 ELBOW

ELBOW

1шт.

28-1

ZD12P01100

O-RING

1шт.

30

2444Z2451

HYD CONNECTOR

1шт.

31

2436R1062D63

VALVE, CHECK

1шт.

33

2444Z3155

90 ELBOW,PF 3/8" Fem x PF 3/8" Male

1шт.

33-1

ZD12P01400

O-RING

1шт.

35

HH25S12008G1

CONNECTION

1шт.

37

2420Z2185

GROMMET

1шт.

38

YX32H01011P1

BUSHING,33mm ID x 49mm OD x 50mm L

1шт.

39

PY01P01043D6

CABLE TIE,4.80mm W x 383mm L

4шт.

40

PW32H01026D9

HOSE

1шт.

41

PH32H01022P1

HYD CONNECTOR

CONNECTOR

1шт.

42

PH32H01023P1

TEE

TEE

1шт.

Выбрано товаров: 36