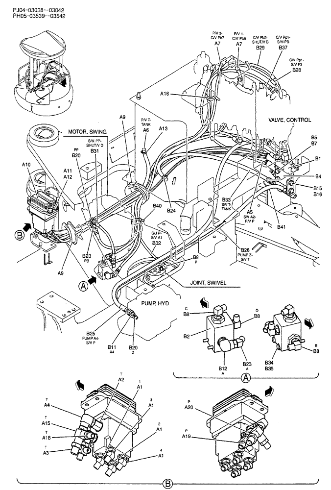
Запчасти Case CX50B (02-051) - CONTROL LINES, REMOTE (NIBBLER & BREAKER) P/N PH62H00005F1 (05) - SUPERSTRUCTURE

Схема запчастей Case CX50B - (02-051) - CONTROL LINES, REMOTE (NIBBLER & BREAKER) P/N PH62H00005F1 (05) - SUPERSTRUCTURE
b31
a1
a10
a15
b24
b26
b16
a1
b20
a9
a7
b1
b41
b33
a5
a6
a13
a12
b20
b35
a11
a1
b29
a18
b4
b28
a3
a4
b8
a16
a19
a20
b8
a7
b7
b23
b5
b23
b40
a2
b11
a9
b34
b15
b25
b2
a1
b8
b8
b12
b37
b32
FIT
1:1
100%

Артикул

Название

Примечание

Количество

PH62H00005F1

CONTROL LINES, PROPEL

1шт.

a1

HH45S04004G1

45 ELBOW

4шт.

a2

2444Z2525

HYD CONNECTOR

1шт.

a3

HH25S0600461

CONNECTOR

1шт.

a4

2444Z2894

90 ELBOW

ELBOW

1шт.

a5

HX24L04165DX

HOSE

1шт.

a6

PW68H01023DG

HOSE,9.5mm ID x 1000mm L

1шт.

a7

HX34L04175DX

HOSE

2шт.

a9

PH62H01001P1

GROMMET

2шт.

a10

PM30V00019F1

PILOT VALVE

ASSY

1шт.

SEE (C.P.M.)

1шт.

a11

ZS18C08025

SCREW,Hex, M8 x 25mm

CAP

4шт.

a12

ZW16H08000

WASHER

4шт.

a13

ZC16X01800

CLIP

1шт.

a15

HH55Q04004G1

TEE,1/4" ORB x 1/4" JIC x 1/4" JIC

1шт.

a16

PY01P01043D8

CABLE TIE,102mm L

1шт.

a18

HH25S04004G1

HYD CONNECTOR

1шт.

a19

HH55L04004G1

TEE

1шт.

a20

PH62H01003P1

ELBOW

1шт.

PH64H00049F1

CONTROL LINES, VALVE

1шт.

b1

PX35V00003F1

VALVE

ASSY, SOLENOID

1шт.

SEE (C.P.M.)

1шт.

b2

PH26V0O001F1

VALVE ASSY, SHUTTLE

1шт.

b4

PW64H01072P1

BRACKET

1шт.

b5

ZS18C08020

SCREW,Hex, M8 x 20mm

2шт.

b7

ZW16H08000

WASHER

2шт.

b8

HH35S04004G1

90 ELBOW

4шт.

b11

HH25S06006G1

HYD CONNECTOR

1шт.

b12

2444Z2894

90 ELBOW

ELBOW

1шт.

b15

ZS18C10030

SCREW,Hex, M10 x 30mm

CAP

2шт.

b16

ZW16H10000

WASHER

WASHER

2шт.

b20

HH25S04004G1

HYD CONNECTOR

2шт.

b23

HH45S04004G1

45 ELBOW

2шт.

b24

ZC16X01800

CLIP

1шт.

b25

HX25L06170DY

HOSE,9.5mm ID x 1700mm L

1шт.

b26

HX24L04155DX

HOSE ASSY.

1шт.

b28

HX34L04130DX

HOSE,6.3mm ID x 1300mm L

1шт.

b29

HX34L04180DX

HOSE

1шт.

b31

HX24L04028DX

HOSE

1шт.

b32

HX24L04140DX

HOSE

1шт.

b33

PW68H01023D3

HOSE,9.5mm ID x 880mm L

1шт.

b34

ZS18C06065

SCREW,Hex, M6 x 65mm

CAP

2шт.

b35

ZW16H06000

WASHER

2шт.

b37

HX24L04180DX

HOSE ASSY.

1шт.

b40

PY01P01043D6

CABLE TIE,4.80mm W x 383mm L

1шт.

b41

PU13E01002DB

TUBE

1шт.

Выбрано товаров: 46