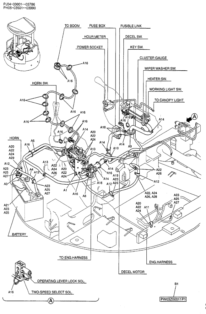
Запчасти Case CX50B (02-094) - ELECTRICAL ASSY, UPPER P/N PH03E00003F1 (05) - SUPERSTRUCTURE

Схема запчастей Case CX50B - (02-094) - ELECTRICAL ASSY, UPPER P/N PH03E00003F1 (05) - SUPERSTRUCTURE
a12
a22
a9
a18
a3
a26
a7
a16
a22
a12
a27
a14
a27
a11
a1
a22
a24
a16
a22
a13
a14
a16
a23
a16
a22
a25
a13
a20
a23
a24
a21
a16
a14
a25
a16
a26
a22
a25
a23
a16
a16
a16
a24
a4
a27
a24
b1
a14
a14
a16
a28
a20
a5
a14
a25
a24
a25
a19
a22
a20
a26
a16
a16
a16
a20
a8
a23
a23
a29
a16
a16
a10
a12
a25
a12
FIT
1:1
100%

Артикул

Название

Примечание

Количество

PH03E00003F1

ELEC ASSY, UPP

1шт.

a1

PH24E00022F1

RELAY

ASSY., SEE FIG. 02-301, Serial Range: PJ04-03001-PJ04-03149

1шт.

a1

PH24E00022F1

RELAY

ASSY., SEE FIG. 02-301, Serial Range: PH05-03501-PH05-03615

1шт.

PH24E00023F1

RELAY

ASSY., SEE FIG. 02-301, Start Serial: PJ04-03150

1шт.

PH24E00023F1

RELAY

ASSY., SEE FIG. 02-301, Start Serial: PH05-03616

1шт.

a3

PY53S00002P1

HORN

1шт.

a4

PH13E01076D2

CABLE

1шт.

a5

PH13E01074D1

CABLE,2150mm L

1шт.

a7

PH13E01071P1

GROMMET

1шт.

a8

PH13E01072P1

GROMMET

1шт.

a9

PW13E01051P1

GROMMET

1шт.

a10

PW13E01060P1

GROMMET

1шт.

a11

EW02E01015D4

CLIP

1шт.

a12

EW02E01015D8

CLIP

4шт.

a13

YN03E01001D4

CLIP,33mm L

2шт.

a14

YN03E01001D5

CLIP

6шт.

a16

PY01P01043D5

CABLE TIE,301mm L

20шт.

a18

ZM61C06020

BOLT

SEMS

2шт.

a19

ZS18C10020

SCREW,Hex, M10 x 20mm

Cap

1шт.

a20

ZS18C08016

SCREW,Hex, M8 x 16mm

CAP, Serial Range: PJ04-03001-PJ04-03149

5шт.

a20

ZS18C08016

SCREW,Hex, M8 x 16mm

CAP, Serial Range: PH05-03501-PH05-03615

5шт.

ZS18C08016

SCREW,Hex, M8 x 16mm

CAP, Start Serial: PJ04-03150

4шт.

ZS18C08016

SCREW,Hex, M8 x 16mm

CAP, Start Serial: PH05-03616

4шт.

a21

ZS18C10016

SCREW,Hex, M10 x 16mm

CAP

1шт.

a22

ZW16X08000

WASHER,8mm ID x 17mm OD x 1.6mm Thk

, Serial Range: PJ04-03001-PJ04-03149

8шт.

a22

ZW16X08000

WASHER,8mm ID x 17mm OD x 1.6mm Thk

, Serial Range: PH05-03501-PH05-03615

8шт.

ZW16X08000

WASHER,8mm ID x 17mm OD x 1.6mm Thk

, Start Serial: PJ04-03150

7шт.

ZW16X08000

WASHER,8mm ID x 17mm OD x 1.6mm Thk

, Start Serial: PH05-03616

7шт.

a23

ZW16X10000

WASHER

5шт.

a24

ZW26X08000

LOCK WASHER

Lock, Serial Range: PJ04-03001-PJ04-03149

7шт.

a24

ZW26X08000

LOCK WASHER

Lock, Serial Range: PH05-03501-PH05-03615

7шт.

ZW26X08000

LOCK WASHER

Lock, Start Serial: PJ04-03150

6шт.

ZW26X08000

LOCK WASHER

Lock, Start Serial: PH05-03616

6шт.

a25

ZW26X10000

LOCK WASHER

5шт.

a26

ZN18C08007

NUT

3шт.

a27

ZN18C10008

NUT

3шт.

a28

ZS18C08020

SCREW,Hex, M8 x 20mm

1шт.

a29

ZM11C08016

BOLT

SEMS, Start Serial: PJ04-03150

1шт.

a29

ZM11C08016

BOLT

SEMS, Start Serial: PH05-03616

1шт.

b1

PW03Z00011P1

SCHEMATIC, ELEC

1шт.

NOT IN SERVICE

1шт.

Выбрано товаров: 41