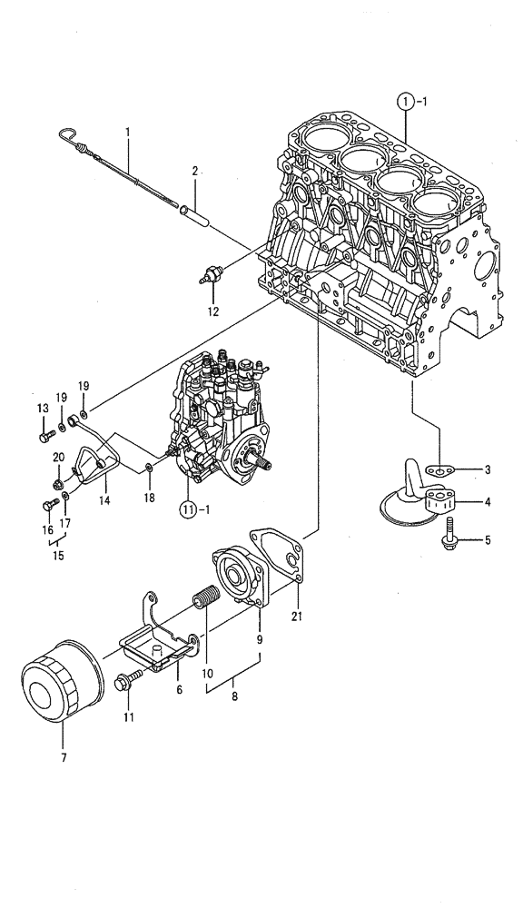
Запчасти Case CX50B (09-009) - LUB. OIL SYSTEM ENGINE COMPONENTS

Схема запчастей Case CX50B - (09-009) - LUB. OIL SYSTEM ENGINE COMPONENTS
13
14
11
1
19
1
12
16
21
6
17
19
18
2
4
9
20
15
10
3
8
7
5
1
FIT
1:1
100%

Артикул

Название

Примечание

Количество

NSS

NOT SOLD SEPARAT

LUB. OIL SYSTEM

1шт.

1

VV12900434801

DIPSTICK

DIPSTICK, LUB. OIL

1шт.

2

VV12152034810

GUIDE

GUIDE, DIPSTICK

1шт.

3

VV12915035041

GASKET

GASKET, (NON-ASB.)

1шт.

4

VV12943635091

PIPE ASSY.

PIPE ASSY, LUB. OIL

1шт.

5

VV26106080352

BOLT,M8 x 35mm

BOLT M8 X 35 PLATED

2шт.

6

VV12924035800

PLATE

PLATE, L.O.

1шт.

7

VV12915035152

ENGINE OIL FILTER

FILTER 80 X 80L

1шт.

8

VV11980235100

BRACKET

BRACKET ASSY, FILTER

1шт.

9

VV11980235110

BRACKET

BRACKET, FILTER

1шт.

10

VV12910035140

STUD

STUD

1шт.

11

VV26106080202

BOLT,M8 x 20mm

BOLT M8 X 20 PLATED

3шт.

12

VV11425039450

PRESSURE SWITCH,DC6V, 12V, 24V, 49 +/- 1 kPa (7.1 +/- 1.4 psi), PT 1/8"

SWITCH, (0.5KG) L.O.

1шт.

13

VV12416039140

BOLT

BOLT 10, PIPE JOINT

1шт.

14

VV11980239450

PIPE ASSY.

PIPE ASSY, LUB. OIL

1шт.

15

VV12900559830

BOLT

BOLT ASSY, JOINT

1шт.

16

VV23857030000

BOLT

JOINT BOLT 3

1шт.

17

VV22190080002

SEAL

SEAL WASHER 8S

1шт.

18

VV22190080002

SEAL

SEAL WASHER 8S

1шт.

19

VV22190100002

SEAL

SEAL WASHER 10S

2шт.

20

VV26366060002

NUT,M6

NUT M6

1шт.

21

VV12915035111

GASKET

GASKET, (NON-ASB.)

1шт.

Выбрано товаров: 0