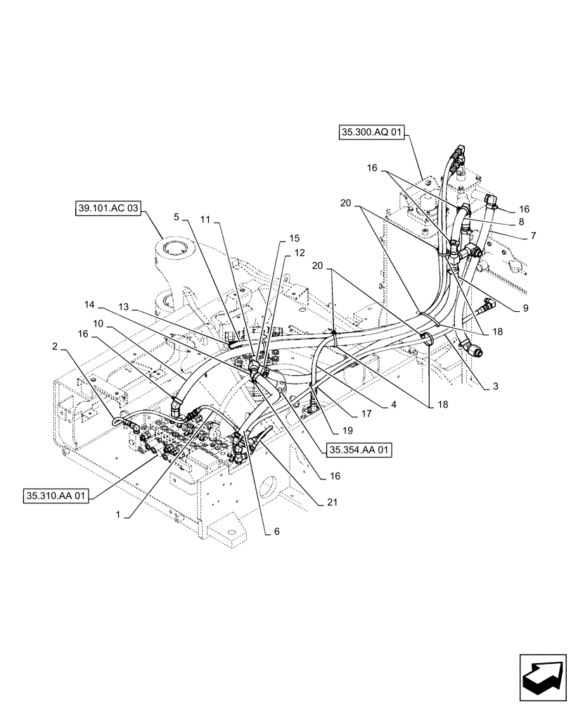
Запчасти Case CX55B (35.310.AG[01]) - HYD. LINE, RETURN (35) - HYDRAULIC SYSTEMS

Схема запчастей Case CX55B - (35.310.AG[01]) - HYD. LINE, RETURN (35) - HYDRAULIC SYSTEMS
12
20
16
13
16
4
3
16
17
35.354.aa 01
5
1
18
2
39.101.ac 03
35.310.aa 01
11
8
7
6
10
19
9
21
11
16
15
35.300.aq 01
18
20
14
FIT
1:1
100%

Артикул

Название

Примечание

Количество

.

Hyd Lines, Return, PS32H00001F1

1шт.

1

HX24L04030DX

HOSE

C/V DR1-C/V DR3

1шт.

2

HX24L04062DX

FLEXIBLE HOSE

C/V DR2-C/V DR3

1шт.

3

HX24L06135DX

HOSE

C/V DR4-Tank

1шт.

4

HX22L06145DX

HOSE ASSY.

S/J G-Tank

1шт.

5

HX22L06160DX

HOSE

S/M DR-Tank

1шт.

6

PW32H01026D1

HOSE,19mm ID x 520mm L

C/V T1-S/M T

1шт.

7

PW32H01026DP

HOSE

O/C Out-Tank

1шт.

8

PW32H01026DR

HOSE

O/C In-Tank

1шт.

9

PW32H01026DS

HOSE

S/M T-O/C In

1шт.

10

PW32H01026DT

HOSE

C/V T3-Tank

1шт.

11

2444Z3399

HYD CONNECTOR

1шт.

12

YJ32H01036P1

HYD CONNECTOR

3шт.

13

HH35S06006G1

90 ELBOW,90 Degree, 3/8" PF x 3/8" PF x 60mm L

2шт.

14

PS32H01001P1

45 ELBOW

5шт.

15

HH55Q08008G3

TEE,PF 1/2" x PF 1/2", O-Ring

1шт.

16

ZC16X02800

CLIP

10шт.

17

YT68H01036P1

CLIP

1шт.

18

YN13E01375P1

CLIP,M8 x 8.20mm Shank

4шт.

19

PY01P01043D3

CABLE TIE,188mm L

2шт.

20

PY01P01043D8

CABLE TIE,102mm L

5шт.

21

HX24L04028DX

HOSE

C/V DR1-C/V DR4

1шт.

Выбрано товаров: 0