Запчасти Case CX55B (35.310.AG[03]) - HYD LINES, RETURN (ANGLE DOZER) (35) - HYDRAULIC SYSTEMS

Схема запчастей Case CX55B - (35.310.AG[03]) - HYD LINES, RETURN (ANGLE DOZER) (35) - HYDRAULIC SYSTEMS
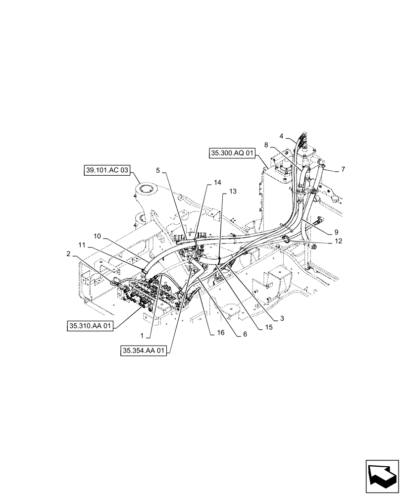
9
6
5
1
12
4
14
35.310.aa 01
11
7
16
39.101.ac 03
10
35.300.aq 01
35.354.aa 01
8
3
13
15
2
FIT
1:1
100%

Артикул

Название

Примечание

Количество

.

Hyd Lines, Return, Angle Dozer, PS32H00002F1

1шт.

1

HX24L04034DX

HOSE ASSY.

1шт.

C/V DR1-C/V DR3

1шт.

2

HX24L04056DX

HOSE

1шт.

C/V DR2-C/V DR3

1шт.

3

HX24L06135DX

HOSE

1шт.

C/V DR4-Tank

1шт.

4

HX22L06125DX

HOSE ASSY.

1шт.

S/J DR-Tank

1шт.

5

HX22L06160DX

HOSE

1шт.

S/M DR-Tank

1шт.

6

PW32H01026D1

HOSE,19mm ID x 520mm L

1шт.

C/V T1-S/M T

1шт.

7

PW32H01026DP

HOSE

1шт.

O/C Out-Tank

1шт.

8

PW32H01026DR

HOSE

1шт.

O/C In-Tank

1шт.

9

PW32H01026DS

HOSE

1шт.

S/M T-O/C In

1шт.

10

PW32H01026DT

HOSE

1шт.

C/V T3-Tank

1шт.

11

ZC16X02800

CLIP

10шт.

12

YN13E01375P1

CLIP,M8 x 8.20mm Shank

4шт.

13

PY01P01043D3

CABLE TIE,188mm L

1шт.

14

PY01P01043D8

CABLE TIE,102mm L

5шт.

15

LQ60C01033D4

RIGID TUBE

1шт.

16

HX24L04028DX

HOSE

1шт.

C/V DR1-C/V DR4

1шт.

Выбрано товаров: 28