Запчасти Case CX55B (35.310.AG[05]) - HYD. LINE, RETURN (ROTARY) (35) - HYDRAULIC SYSTEMS

Схема запчастей Case CX55B - (35.310.AG[05]) - HYD. LINE, RETURN (ROTARY) (35) - HYDRAULIC SYSTEMS
8
22
10
18
35.300.aq 01
18
13
9
84.114.aj 03
14
14
15
35.354.aa 01
19
22
14
35.310.aa 01
12
27
4
10
5
28
1
24
13
21
21
18
17
2
39.101.ac 03
6
20
25
26
26
23
13
29
20
3
16
7
11
FIT
1:1
100%

Артикул

Название

Примечание

Количество

.

Hyd Lines, Return, Rotary, PS32H00003F1

1шт.

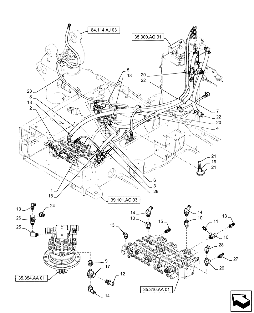
1

HX24L04034DX

HOSE ASSY.

C/V DR1 - C/V DR3

1шт.

2

HX24L04056DX

HOSE

C/V DR2 - C/V DR3

1шт.

3

HX24L06135DX

HOSE

C/V DR4 - Tank

1шт.

4

HX22L06145DX

HOSE ASSY.

S/J G-Tank

1шт.

5

HX22L06150DX

HOSE

S/M DR - Tank

1шт.

6

PW32H01026D1

HOSE,19mm ID x 520mm L

C/V T1 - S/M T

1шт.

7

PW32H01026DS

HOSE

S/M T - O/C In

1шт.

8

PW32H01026DT

HOSE

C/V T3 - Tank

1шт.

9

2444Z3399

HYD CONNECTOR

1шт.

10

HH25R08008GB

HYD CONNECTOR

2шт.

11

HH25S04004G1

HYD CONNECTOR

1шт.

12

YJ32H01036P1

HYD CONNECTOR

3шт.

13

HH35S04004G1

90 ELBOW

3шт.

14

PS32H01001P1

45 ELBOW

5шт.

15

HH55L04004G2

TEE

1шт.

16

HH55Q04004G1

TEE,1/4" ORB x 1/4" JIC x 1/4" JIC

3шт.

17

HH55Q08008G3

TEE,PF 1/2" x PF 1/2", O-Ring

1шт.

18

ZC16X02800

CLIP

10шт.

19

YT68H01036P1

CLIP

1шт.

20

YN13E01375P1

CLIP,M8 x 8.20mm Shank

4шт.

21

PY01P01043D3

CABLE TIE,188mm L

2шт.

22

PY01P01043D8

CABLE TIE,102mm L

5шт.

23

PS32H01002D3

HOSE

S/M DR - Drain For Rotary

1шт.

24

HH45S06006G1

45 ELBOW

1шт.

25

YT42H01128P1

90 ELBOW

1шт.

26

PW64H01011P1

TEE

1шт.

27

HH45S04004G1

45 ELBOW

1шт.

28

HH45S06004G1

45 ELBOW

1шт.

29

HX24L04028DX

HOSE

C/V DR1 - C/V DR4

1шт.

Выбрано товаров: 0