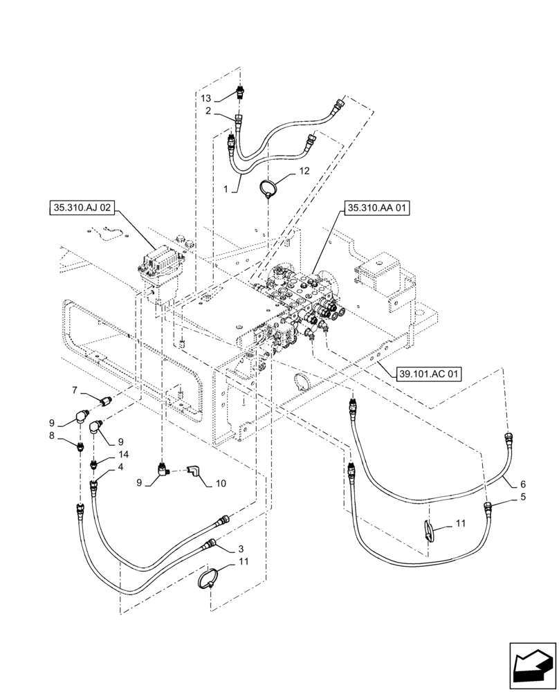
Запчасти Case CX55B (35.310.AJ[01]) - CONTROL, LINES, PROPEL (35) - HYDRAULIC SYSTEMS

Схема запчастей Case CX55B - (35.310.AJ[01]) - CONTROL, LINES, PROPEL (35) - HYDRAULIC SYSTEMS
35.310.aa 01
7
3
9
5
1
9
6
12
11
9
4
39.101.ac 01
11
10
13
8
35.310.aj 02
14
2
FIT
1:1
100%

Артикул

Название

Примечание

Количество

.

Control Lines, Propel, PS62H00003F1

1шт.

1

HX24L04060DX

HOSE

P/V 1 - C/V Pb4

1шт.

2

HX24L04056DX

HOSE

P/V 3 - C/V Pb3

1шт.

3

HX24L04078DX

FLEXIBLE HOSE

P/V T - Block T

1шт.

4

HX24L04080DX

FLEXIBLE HOSE

P/V P - Block P

1шт.

5

HX24L04086DX

HOSE

P/V 2 - C/V Pa4

1шт.

6

HX24L04092DX

FLEXIBLE HOSE

P/V 4 - C/V Pa 3

1шт.

7

2444Z2525

HYD CONNECTOR

1шт.

8

HH25S04004G1

HYD CONNECTOR

3шт.

9

2444Z2894

90 ELBOW

Elbow

3шт.

10

HH35S04004G1

90 ELBOW

1шт.

11

YN13E01375P1

CLIP,M8 x 8.20mm Shank

3шт.

12

PY01P01043D8

CABLE TIE,102mm L

Clip

3шт.

13

HH45S04004G1

45 ELBOW

1шт.

14

HH25S04004G3

HYD CONNECTOR

1шт.

Выбрано товаров: 15