Запчасти Case CX55B (35.322.AJ[01]) - HYD. LINE, PUMP (35) - HYDRAULIC SYSTEMS

Схема запчастей Case CX55B - (35.322.AJ[01]) - HYD. LINE, PUMP (35) - HYDRAULIC SYSTEMS
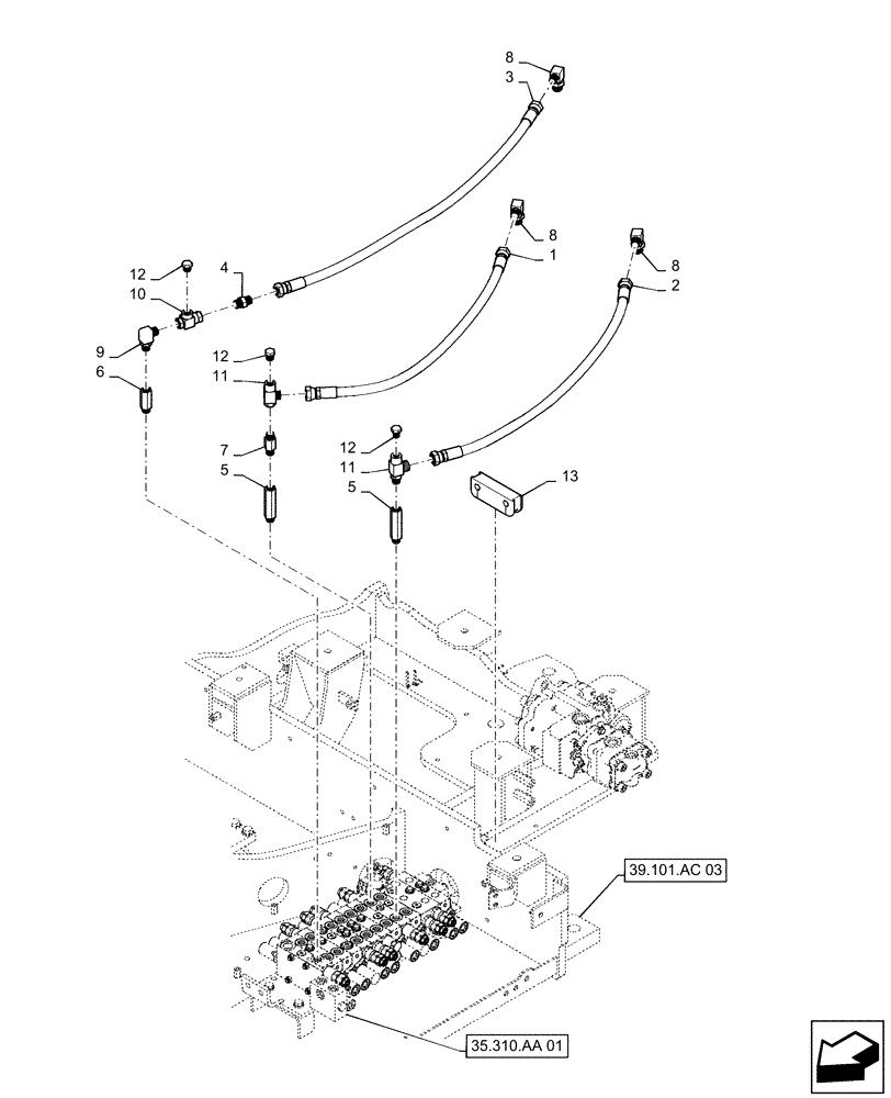
13
10
8
8
5
35.310.aa 01
4
7
1
8
2
5
11
6
3
12
9
12
11
39.101.ac 03
12
FIT
1:1
100%

Артикул

Название

Примечание

Количество

.

Hyd Lines, Pump, PS30H00001F1

1шт.

1

LE03H01338DD

HOSE

C/V P1-Pump P1

1шт.

2

LE03H01338DJ

HOSE

C/V P2-Pump P2

1шт.

3

LE03H01338DK

HOSE

C/V P3-Pump P3

1шт.

4

HH25S08006G2

HYD CONNECTOR

1шт.

5

HH25R06006G5

CONNECTION

2шт.

6

2444Z3711

HYD CONNECTOR

1шт.

7

2444Z3546

HYD CONNECTOR

1шт.

8

HH35S08008G1

90 ELBOW

3шт.

9

YT42H01128P1

90 ELBOW

1шт.

10

PH03H01066P1

TEE

1шт.

11

PW30H01012P1

TEE

2шт.

12

ZE72X04000

PLUG

3шт.

13

PS30H01012P1

GROMMET

1шт.

Выбрано товаров: 0