Запчасти Case CX55B (35.322.AJ[03]) - HYD. LINE, PUMP (OPTION) (35) - HYDRAULIC SYSTEMS

Схема запчастей Case CX55B - (35.322.AJ[03]) - HYD. LINE, PUMP (OPTION) (35) - HYDRAULIC SYSTEMS
5
8
8
4
12
9
13
8
35.310.aa 01
1
11
11
7
12
5
3
10
12
39.101.ac 03
2
6
FIT
1:1
100%

Артикул

Название

Примечание

Количество

.

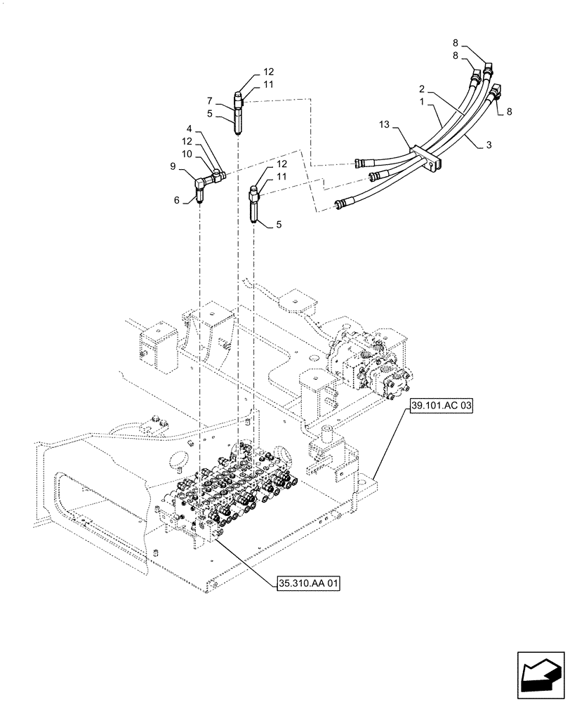
Hyd Lines, Pump, Option, PS30H00002F1

1шт.

1

LE03H01338DD

HOSE

C/V P1-PUMP P1

1шт.

2

LE03H01338DJ

HOSE

C/V P2-PUMP P2

1шт.

3

LE03H01338DK

HOSE

C/V P3-PUMP P3

1шт.

4

HH25S08006G2

HYD CONNECTOR

1шт.

5

HH25R06006G5

CONNECTION

2шт.

6

2444Z3711

HYD CONNECTOR

1шт.

7

2444Z3546

HYD CONNECTOR

2шт.

8

HH35S08008G1

90 ELBOW

3шт.

9

YT42H01128P1

90 ELBOW

1шт.

10

PH03H01066P1

TEE

1шт.

11

PW30H01012P1

TEE

2шт.

12

ZE72X04000

PLUG

3шт.

13

PS30H01012P1

GROMMET

1шт.

Выбрано товаров: 14