Качественные детали и логистика
Оригинальные и аналоговые запчасти с доставкой по России, Казахстану и Беларуси
©2022 PartSell ООО "Система" ИНН 2463123282 ОГРН 1212400004838
Центральный офис: г. Красноярск, Академика Киренского, д.87, пом.4
Телефон: 8 (800) 777-65-74 Email: zakaz@partsell.ru
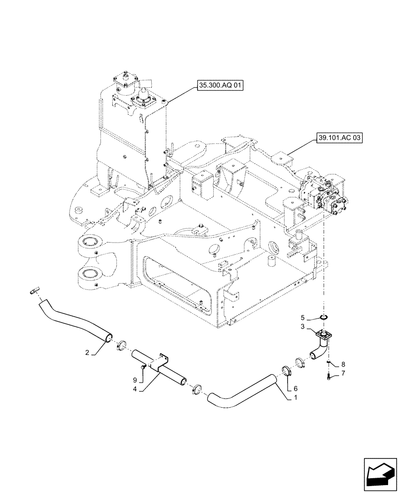
(35.322.AJ[04]) - HYD. LINE, PUMP (OPTION)
№
Артикул
Название
Примечание
Количество
.
Hyd Lines, Pump, Option, PS30H00002F1
1шт.
1
PS30H01001P1
HOSE
2
PS30H01002P1
3
PS30H01003P1
TUBE
4
PS30H01008P1
5
ZD11G04000
O-RING,39.40mm ID x 45.60mm OD x 3.10mm
6
ZC16X05100
CLIP
8шт.
7
ZS28C10030
SCREW,Hex Socket Head, M10 x 30mm
Cap
4шт.
8
ZW26K10000
LOCK WASHER
9
ZM73C10025
BOLT,M10x25mm - Course Thread
Sems
2шт.
Выбрано товаров: 0