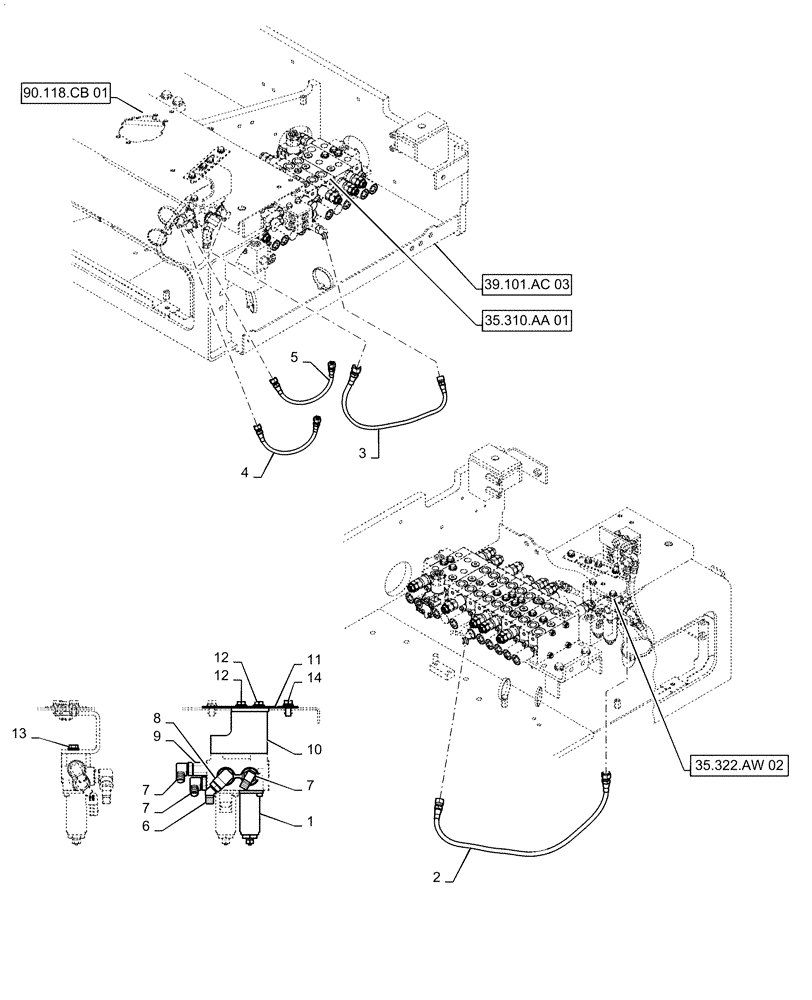
Запчасти Case CX55B (35.322.AW[06]) - CONTROL, LINES, VALVE, NIBBLER & BREAKER (HCP) (35) - HYDRAULIC SYSTEMS

Схема запчастей Case CX55B - (35.322.AW[06]) - CONTROL, LINES, VALVE, NIBBLER & BREAKER (HCP) (35) - HYDRAULIC SYSTEMS
3
7
12
1
7
14
90.118.cb 01
10
5
13
6
12
8
2
9
35.322.aw 02
35.310.aa 01
39.101.ac 03
4
11
7
FIT
1:1
100%

Артикул

Название

Примечание

Количество

.

Control Lines, Valve, Nibbler and Breaker Hand Control Proportional, PS64H00034F1

1шт.

1

PW35V00002F1

SOLENOID VALVE

Assy (Used Nibbler Open/Close Proportional, Revolution Left/Right Proportional, Extra Proportional Left/Right)

1шт.

2

HX24L04066DX

FLEXIBLE HOSE

1шт.

3

HX24L04062DX

FLEXIBLE HOSE

1шт.

4

HX24L04038DX

HOSE

1шт.

5

HX24L04032DX

HOSE ASSY.

1шт.

6

HH45S04004G1

45 ELBOW

1шт.

7

HH35S04004G1

90 ELBOW

3шт.

8

2444Z2894

90 ELBOW

1шт.

9

HH25R04004G5

HYD CONNECTOR

1шт.

10

PS64H01028P1

BRACKET

1шт.

11

PW64H01089P1

SUPPORT

1шт.

12

ZM73C08025

BOLT,M8x25mm - Course Thread

Sems

2шт.

13

ZM73C08020

BOLT,M8x20mm - Course Thread

Sems

2шт.

14

ZM22C08020

BOLT

Sems

2шт.

Выбрано товаров: 15