Запчасти Case CX55B (35.322.AW[07]) - CONTROL, LINES, VALVE - ROTARY (35) - HYDRAULIC SYSTEMS

Схема запчастей Case CX55B - (35.322.AW[07]) - CONTROL, LINES, VALVE - ROTARY (35) - HYDRAULIC SYSTEMS
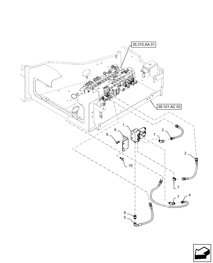
10
8
1
39.101.ac 03
3
35.310.aa 01
6
4
9
7
2
7
7
5
FIT
1:1
100%

Артикул

Название

Примечание

Количество

.

Control Lines, Valve, Rotary, PS64H00033F1

1шт.

1

PW35V00002F1

SOLENOID VALVE

Assy (Used Nibbler Open/Close Proportional, Revolution Left/Right Proportional, Extra Proportional Left/Right)

1шт.

2

HX24L04028DX

HOSE

1шт.

3

HX24L04030DX

HOSE

1шт.

4

HX24L04080DX

FLEXIBLE HOSE

1шт.

5

HX34L04032DX

HOSE

1шт.

6

PS64H01015P1

BRACKET

1шт.

7

HH35S04004G1

90 ELBOW

3шт.

8

HH25S04004G3

HYD CONNECTOR

1шт.

9

ZM73C08020

BOLT,M8x20mm - Course Thread

Sems

2шт.

10

ZM73C10030

BOLT,M10x30mm - Course Thread

Sems

2шт.

Выбрано товаров: 11