Качественные детали и логистика
Оригинальные и аналоговые запчасти с доставкой по России, Казахстану и Беларуси
©2022 PartSell ООО "Система" ИНН 2463123282 ОГРН 1212400004838
Центральный офис: г. Красноярск, Академика Киренского, д.87, пом.4
Телефон: 8 (800) 777-65-74 Email: zakaz@partsell.ru
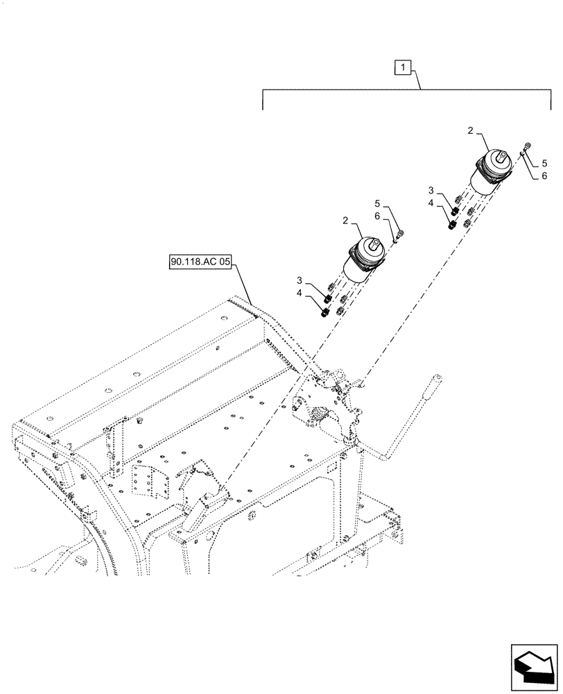
(35.355.AH[01]) - HAND CONTROL VALVE
№
Артикул
Название
Примечание
Количество
1
NSS
NOT SOLD SEPARAT
Valve Install, PS64H00017F1, Incl 2 - 6
1шт.
2
PX30V00043F4
PILOT VALVE
Hand
2шт.
3
HH25S04004G1
HYD CONNECTOR
10шт.
4
HH25S04004G3
5
ZS28C06025
SCREW,Hex Socket Head, M6 x 25mm
Cap
6шт.
6
ZW16X06000
WASHER
Выбрано товаров: 0