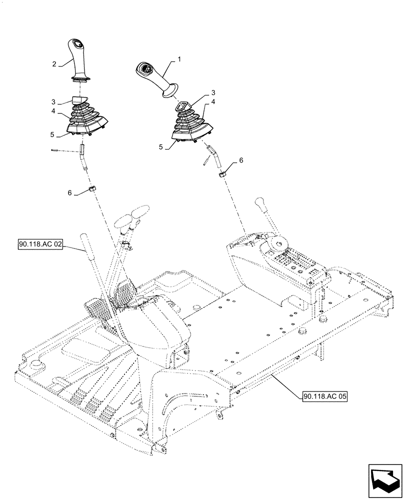
Запчасти Case CX55B (35.355.AK[01]) - GRIP, ASSY, NIBBLER & BREAKER, HAND CONTROL PROPORTIONAL (35) - HYDRAULIC SYSTEMS

Схема запчастей Case CX55B - (35.355.AK[01]) - GRIP, ASSY, NIBBLER & BREAKER, HAND CONTROL PROPORTIONAL (35) - HYDRAULIC SYSTEMS
3
6
5
4
90.118.ac 05
90.118.ac 02
6
4
1
2
3
5
FIT
1:1
100%

Артикул

Название

Примечание

Количество

.

Grip Assy, Nibbler and Breaker Hand Control Proportional, PS03M01181F1

1шт.

1

PS03M01184F1

GRIP

Assembly, Nibbler and Breaker Hand Control Proportional, RH

1шт.

2

YN03M02123F2

HANDLE GRIP

Assembly, Nibbler and Breaker Hand Control Proportional, LH

1шт.

3

YN03M01503P1

BOOT

2шт.

4

YN03M01505P1

BOOT

2шт.

5

YN03M01328P2

PLATE

2шт.

6

ZN18C14011

NUT

2шт.

Выбрано товаров: 0