Запчасти Case CX55B (35.356.AK[01]) - PEDAL, LEVER & BRACKET (35) - HYDRAULIC SYSTEMS

Схема запчастей Case CX55B - (35.356.AK[01]) - PEDAL, LEVER & BRACKET (35) - HYDRAULIC SYSTEMS
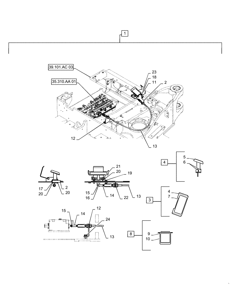
24
6
12
13
14
4
13
19
15
18
35.310.aa 01
8
2
7
12
13
4
11
16
14
23
17
20
1
2
20
10
21
5
39.101.ac 03
9
22
15
3
20
FIT
1:1
100%

Артикул

Название

Примечание

Количество

1

PS55M00004F1

PEDAL

Install, Incl 2 - 24

1шт.

2

PS55M01007P1

SUPPORT

1шт.

3

PS55M00001F1

PEDAL

Assy, Incl 3, 6

1шт.

4

PS55M01001F1

PEDAL

Incl 4, 5

1шт.

5

PS55M01003P1

PEDAL

1шт.

6

2405R312D1415

BUSHING

2шт.

7

PS55M01002P1

SHEET

1шт.

8

PS55M01018F1

COVER ASSY

Incl 8, 9

1шт.

9

PS55M01019P1

COVER

1шт.

10

PM03M01309P1

SHEET

1шт.

11

PS55M01014P1

PIN

1шт.

12

PS55M01015P1

SUPPORT

1шт.

13

PY03M01292D2

CABLE

Control

1шт.

14

PS55M01016P1

ROD

End

2шт.

15

PS55M01017P1

PIN

2шт.

16

PN03M01007P1

PIN

2шт.

17

ZR36X01200

RING

Snap

1шт.

18

ZR36X00800

SNAP RING

Snap

2шт.

19

ZM73C08020

BOLT,M8x20mm - Course Thread

Sems

2шт.

20

2420T8007D3

CAPSCREW

2шт.

21

ZN18C08007

NUT

2шт.

22

ZW16P14000

WASHER

2шт.

23

ZW16P10000

WASHER

2шт.

24

ZM73C10020

BOLT,M10x20mm - Course Thread

Sems

2шт.

Выбрано товаров: 0