Качественные детали и логистика
Оригинальные и аналоговые запчасти с доставкой по России, Казахстану и Беларуси
©2022 PartSell ООО "Система" ИНН 2463123282 ОГРН 1212400004838
Центральный офис: г. Красноярск, Академика Киренского, д.87, пом.4
Телефон: 8 (800) 777-65-74 Email: zakaz@partsell.ru
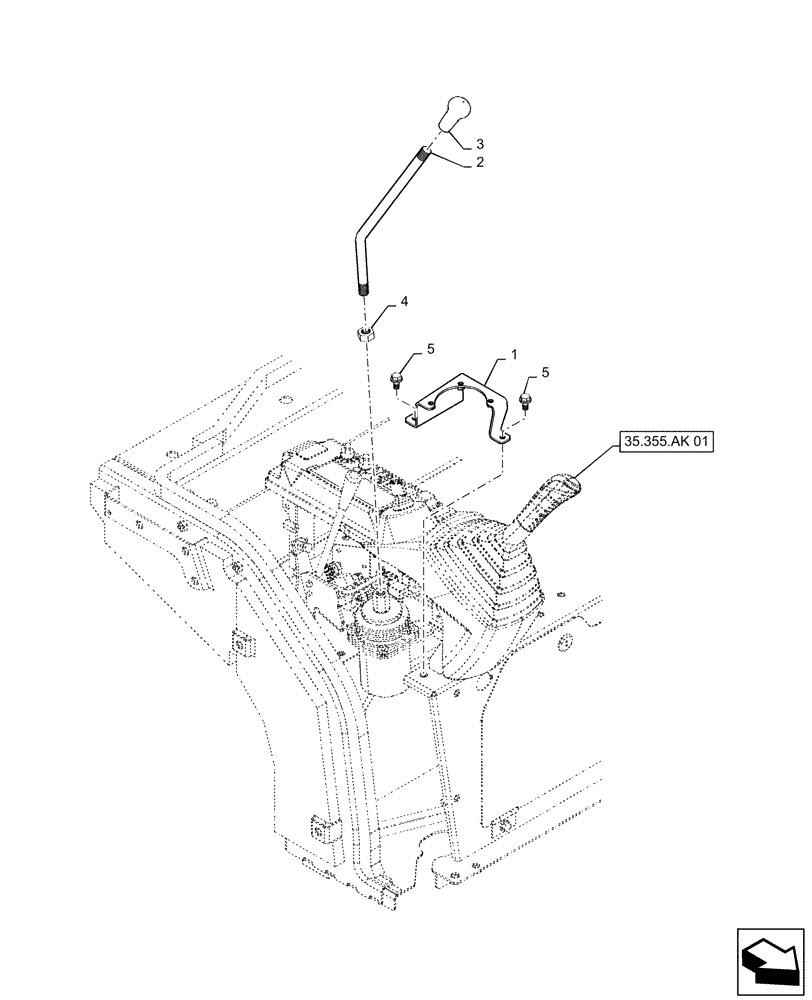
(35.359.AB[02]) - CONTROL LEVER, ANGLE, DOZER
№
Артикул
Название
Примечание
Количество
.
Control Assy, Angle Dozer, PS14M00004F1
1шт.
1
PS14M01018P1
BRACKET
2
PS14M01020P1
LEVER
3
PS14M01004P1
GRIP
4
ZN18C14011
NUT
5
ZM73C08016
BOLT,M8x16mm - Course Thread
Sems
3шт.
Выбрано товаров: 0