Запчасти Case CX55B (35.359.AE[06]) - HYD LINES, UPPER (35) - HYDRAULIC SYSTEMS

Схема запчастей Case CX55B - (35.359.AE[06]) - HYD LINES, UPPER (35) - HYDRAULIC SYSTEMS
35.739.aa 01
8
5
7
3
10
35.310.aa 01
1
39.103.ac 03
2
6
9
3
4
FIT
1:1
100%

Артикул

Название

Примечание

Количество

.

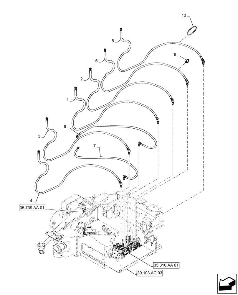
Hyd Lines, Upper, PS03H00007F1

1шт.

1

LE03H01327D9

HOSE

C/V B2-Boom H

1шт.

2

LE03H01327DA

HOSE

C/V A2-Boom R

1шт.

3

LE03H01327DB

HOSE

C/V A7-Arm H

1шт.

4

LE03H01327DC

HOSE

C/V B7-Arm R

1шт.

5

LE03H01327DD

HOSE

C/V B1-Bucket H

1шт.

6

LE03H01327DE

HOSE

C/V A1-Bucket R

1шт.

7

PS03H01002D3

HOSE

C/V B5-Swing H

1шт.

8

PS03H01002D4

HOSE

C/V A5-Swing R

1шт.

9

YN13E01375P1

CLIP,M8 x 8.20mm Shank

3шт.

10

PY01P01043D8

CABLE TIE,102mm L

Clip

7шт.

Выбрано товаров: 0