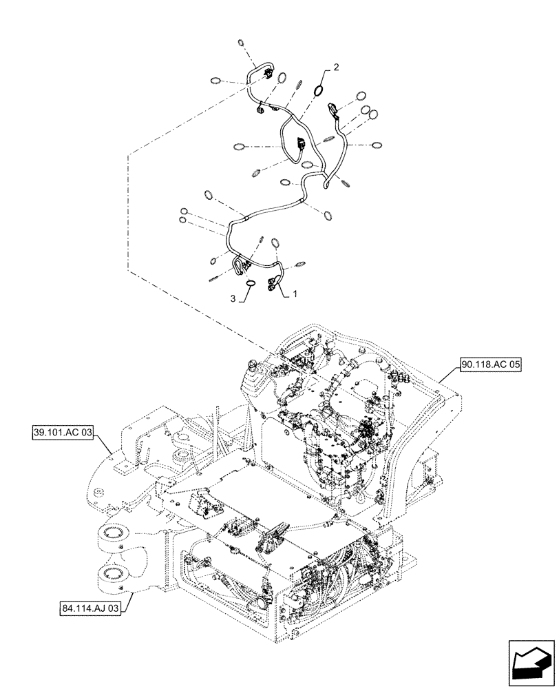
Запчасти Case CX55B (55.015.AJ[01]) - HARNESS, ASSY, UPPER, STAND, NIBBLER & BREAKER OR ROTARY (55) - ELECTRICAL SYSTEMS

Схема запчастей Case CX55B - (55.015.AJ[01]) - HARNESS, ASSY, UPPER, STAND, NIBBLER & BREAKER OR ROTARY (55) - ELECTRICAL SYSTEMS
1
84.114.aj 03
90.118.ac 05
3
39.101.ac 03
2
FIT
1:1
100%

Артикул

Название

Примечание

Количество

.

Harness Assy, PS11E00003F1

1шт.

1

PS11E01006P1

WIRE HARNESS

1шт.

2

PY01P01043D3

CABLE TIE,188mm L

Clip

26шт.

3

PY01P01043DA

CABLE TIE,2.50mm W x 205mm L

Clip

1шт.

Выбрано товаров: 4