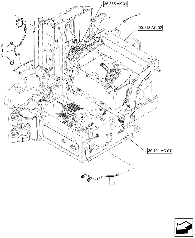
Запчасти Case CX55B (55.050.AW[01]) - ALARM, TRAVEL, HARNESS (55) - ELECTRICAL SYSTEMS

Схема запчастей Case CX55B - (55.050.AW[01]) - ALARM, TRAVEL, HARNESS (55) - ELECTRICAL SYSTEMS
2
90.118.ac 02
1
4
39.101.ac 01
3
5
35.355.ak 01
FIT
1:1
100%

Артикул

Название

Примечание

Количество

.

Alarm Assy, PS53E00004F1

1шт.

1

PS11E01038P1

WIRE HARNESS

Travel Alarm - Main Harness to Travel Alarm

1шт.

2

PS11E01039P1

WIRE HARNESS

Travel Alarm - Floor Harness to Pressure Switches

1шт.

3

PY01P01043D3

CABLE TIE,188mm L

Clip

6шт.

4

PS11E01040P1

WIRE HARNESS

Travel Alarm - Switch to Main Harness

1шт.

5

PS11E01008P1

GROMMET

1шт.

Выбрано товаров: 0