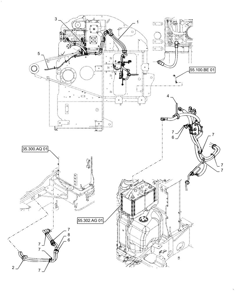
Запчасти Case CX55B (55.100.AI[01]) - CENTRAL WIRE HARNESS (55) - ELECTRICAL SYSTEMS

Схема запчастей Case CX55B - (55.100.AI[01]) - CENTRAL WIRE HARNESS (55) - ELECTRICAL SYSTEMS
6
7
7
7
7
7
7
35.300.aq 01
7
8
6
2
7
4
55.302.ag 01
55.100.be 01
1
3
5
FIT
1:1
100%

Артикул

Название

Примечание

Количество

.

Harness Assy, Upp, PS13E00006F1

1шт.

1

PS13E01046P2

WIRE HARNESS

1шт.

1

YJ73S01001P1

FUSE,65amp

2шт.

2

PS13E01040P1

GROMMET

1шт.

3

PS13E01047P2

CABLE

1шт.

4

PS13E01009P1

CLIP

3шт.

5

PS13E01010P2

WIRE HARNESS

1шт.

6

YN13E01375P1

CLIP,M8 x 8.20mm Shank

3шт.

7

PY01P01043D3

CABLE TIE,188mm L

Clip

30шт.

8

PY01P01043D5

CABLE TIE,301mm L

Clip

1шт.

Выбрано товаров: 0