Качественные детали и логистика
Оригинальные и аналоговые запчасти с доставкой по России, Казахстану и Беларуси
©2022 PartSell ООО "Система" ИНН 2463123282 ОГРН 1212400004838
Центральный офис: г. Красноярск, Академика Киренского, д.87, пом.4
Телефон: 8 (800) 777-65-74 Email: zakaz@partsell.ru
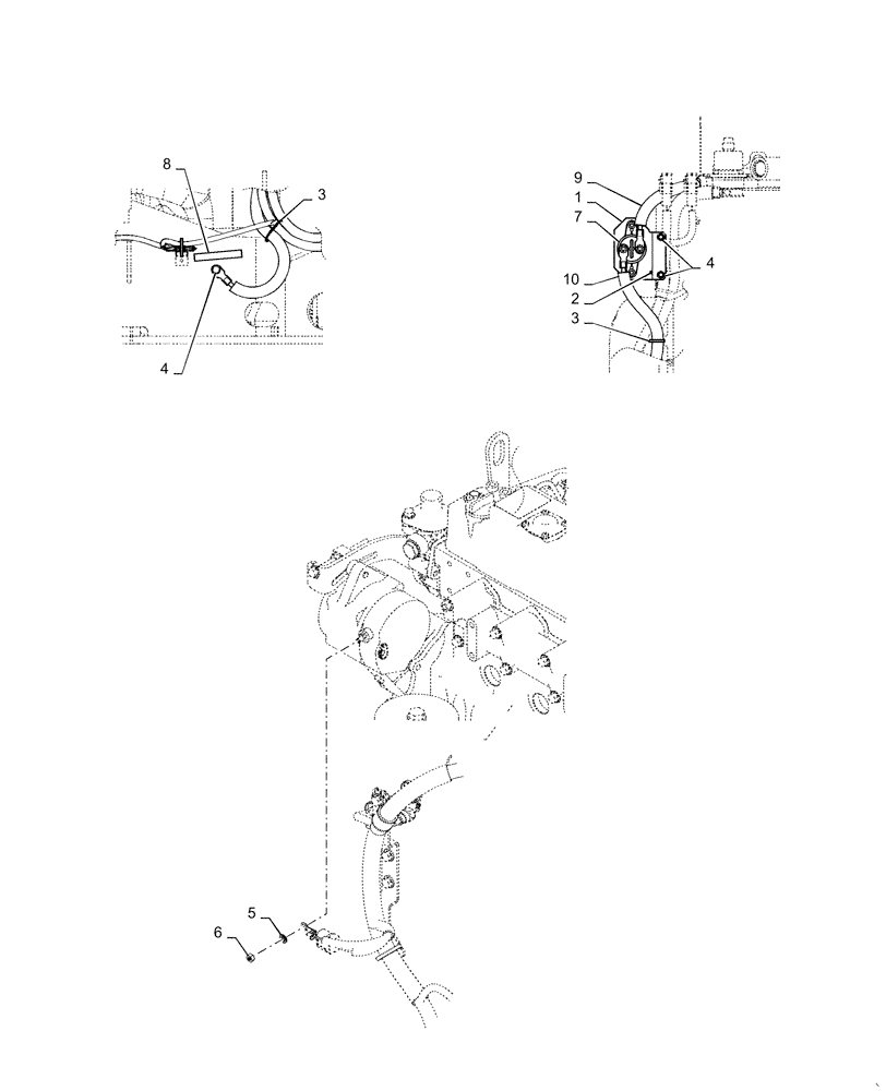
(55.100.AI[03]) - CENTRAL WIRE HARNESS
№
Артикул
Название
Примечание
Количество
.
Harness Assy, Upp, PS13E00006F1
1шт.
1
PS13E01031P1
BRACKET
2
YN13E01375P1
CLIP,M8 x 8.20mm Shank
3шт.
3
PY01P01043D3
CABLE TIE,188mm L
Clip
30шт.
4
ZM73C08016
BOLT,M8x16mm - Course Thread
Sems
9шт.
5
ZW16P06000
WASHER
6
ZN18C06005
NUT
7
LP50S00003P1
BATTERY CUT-OUT
(Battery Master Switch - Key YN50S01011P1)
8
PS13E01041P1
RUBBER STRIP
9
PS13E01028P1
CABLE
10
PS13E01029P1
Выбрано товаров: 0