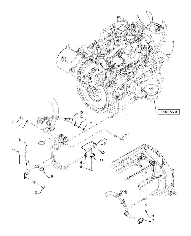
Запчасти Case CX55B (55.201.AU[02]) - ENGINE STARTER CABLES, FLOOR (55) - ELECTRICAL SYSTEMS

Схема запчастей Case CX55B - (55.201.AU[02]) - ENGINE STARTER CABLES, FLOOR (55) - ELECTRICAL SYSTEMS
6
4
1
6
11
2
8
10.001.ak 01
2
9
13
10
3
12
14
3
5
1
7
FIT
1:1
100%

Артикул

Название

Примечание

Количество

.

Harness Assy, Upp, Floor, PS13E00002F1

1шт.

1

ZW26X08000

LOCK WASHER

5шт.

2

ZN18C08007

NUT

5шт.

3

ZM73C10016

BOLT,M10x16mm - Course Thread

Sems

3шт.

4

ZM73C08025

BOLT,M8x25mm - Course Thread

Sems

2шт.

5

ZM73C08016

BOLT,M8x16mm - Course Thread

Sems

8шт.

6

YN13E01375P1

CLIP,M8 x 8.20mm Shank

11шт.

7

PS13E01019P1

GROMMET

1шт.

8

PS13E01017P2

BRACKET

1шт.

9

PY01P01043D3

CABLE TIE,188mm L

Clip

48шт.

10

EW02E01015DA

CLIP

3шт.

11

PA13E01017P1

CLIP

1шт.

12

PS13E01042P1

PLATE

1шт.

13

ZW16P08000

WASHER

1шт.

14

PM22C01020D5

TRIM PANEL

1шт.

Выбрано товаров: 15