Качественные детали и логистика
Оригинальные и аналоговые запчасти с доставкой по России, Казахстану и Беларуси
©2022 PartSell ООО "Система" ИНН 2463123282 ОГРН 1212400004838
Центральный офис: г. Красноярск, Академика Киренского, д.87, пом.4
Телефон: 8 (800) 777-65-74 Email: zakaz@partsell.ru
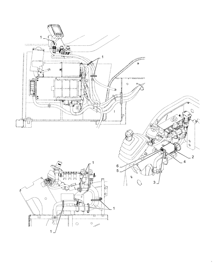
(55.785.AS[03]) - HARNESS, ASSY, CAB, MONITOR - LIQUID CRYSTAL
№
Артикул
Название
Примечание
Количество
.
Harness Assy, Cab Liquid Crystal Monitor, PS11E00004F1
1шт.
1
PY01P01043D3
CABLE TIE,188mm L
Clip
24шт.
2
PS11E01032P1
RUBBER STRIP
3
YJ53S01001D1
BUZZER
4
ZM61C04016
BOLT
Sems
2шт.
5
ZW16K04000
WASHER
6
ZN18C04003
NUT
Выбрано товаров: 0