Качественные детали и логистика
Оригинальные и аналоговые запчасти с доставкой по России, Казахстану и Беларуси
©2022 PartSell ООО "Система" ИНН 2463123282 ОГРН 1212400004838
Центральный офис: г. Красноярск, Академика Киренского, д.87, пом.4
Телефон: 8 (800) 777-65-74 Email: zakaz@partsell.ru
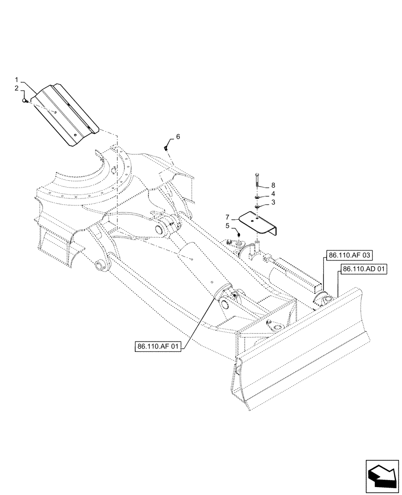
(86.110.AD[04]) - DOZER BLADE, GROUP (ANGLE DOZER)
№
Артикул
Название
Примечание
Количество
.
Dozer Assy, Angle Dozer, PY51B00078F1
1шт.
1
PY51B01160P1
COVER
2
ZM73C10016
BOLT,M10x16mm - Course Thread
Sems
4шт.
3
ZW16H10000
WASHER
2шт.
4
ZW26X10000
LOCK WASHER
5
ZG91S02000
LUBE NIPPLE,1/8" NPT x 1/8" NPT
Grease
6
ZG91V02000
LUBE NIPPLE,67 Degree x 1/8" PT
3шт.
7
PY51B01176P1
8
ZS18C10080
SCREW,Hex, M10 x 80mm
Cap
Выбрано товаров: 0