Качественные детали и логистика
Оригинальные и аналоговые запчасти с доставкой по России, Казахстану и Беларуси
©2022 PartSell ООО "Система" ИНН 2463123282 ОГРН 1212400004838
Центральный офис: г. Красноярск, Академика Киренского, д.87, пом.4
Телефон: 8 (800) 777-65-74 Email: zakaz@partsell.ru
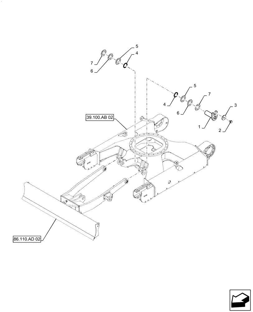
(86.110.AD[06]) - DOZER BLADE INSTALL (ANGLE DOZER)
№
Артикул
Название
Примечание
Количество
.
Dozer Install, Angle Dozer, PS51B00007F1
1шт.
1
PS51B01027P1
PIN
Assy
2шт.
2
ZM73C12020
BOLT,M12x20mm - Course Thread
Sems
3
2418T17895
WASHER
4
2445R138D5
SEAL,40mm ID x 50mm OD x 4mm Thk
Dust
4шт.
5
B16T0442D67
SHIM,65mm OD x 42mm ID x 1.2mm Thk
6
B16T0442D68
SHIM,65mm OD x 42mm ID x 1.6mm Thk
7
B16T0442D69
SHIM,65mm OD x 42mm ID x 2.3mm Thk
Выбрано товаров: 0