Запчасти Case CX55B (86.110.AF[05]) - CYLINDER INSTALL (ANGLE DOZER) (86) - DOZER

Схема запчастей Case CX55B - (86.110.AF[05]) - CYLINDER INSTALL (ANGLE DOZER) (86) - DOZER
5
3
39.100.ab 02
1
5
2
7
4
6
1
86.110.ad 02
3
4
6
2
FIT
1:1
100%

Артикул

Название

Примечание

Количество

.

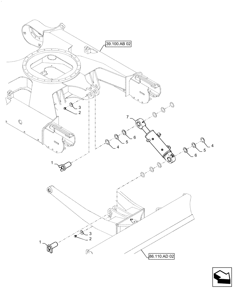
Cylinder Install, Angle Dozer, PS51B00008F1

1шт.

1

PS51B01029P1

PIN

Assy

2шт.

2

ZM73C12020

BOLT,M12x20mm - Course Thread

Sems

2шт.

3

2418T17895

WASHER

2шт.

4

B16T0442D26

SHIM,90mm OD x 57mm ID x 1.2mm Thk

2шт.

5

B16T0442D21

SHIM,57mm ID x 90mm OD x 1.6mm Thk

2шт.

6

B16T0442D22

SHIM,90mm OD x 57mm ID x 2.3mm Thk

2шт.

7

PY01V00036F2

CYLINDER

Dozer

1шт.

Выбрано товаров: 8