Запчасти Case CX55B (10.001.AD[01]) - CYLINDER BLOCK (10) - ENGINE

Схема запчастей Case CX55B - (10.001.AD[01]) - CYLINDER BLOCK (10) - ENGINE
1
6
11
11
4
10
8
4
7
12
6
6
16
15
16
6
13
2
3
8
14
5
9
FIT
1:1
100%

Артикул

Название

Примечание

Количество

.

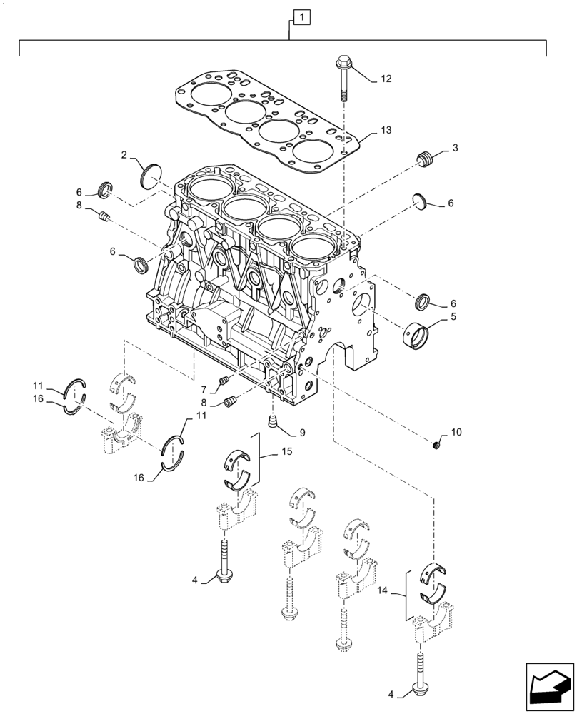
Cylinder Block

1шт.

1

VV129C0001560

BLOCK

Assy, Cylinder, Incl 2 - 16

1шт.

2

VV12900101250

PLUG

1шт.

3

VV17105101921

PLUG

1шт.

4

VV12915002020

BOLT

10шт.

5

VV12979502412

BUSHING

1шт.

6

VV27241300000

PLUG

30

8шт.

7

VV12406001050

PLUG,1/8"

1шт.

8

VV12416001910

PLUG,1/4"

2шт.

9

VV12416001910

PLUG,1/4"

1шт.

10

VV27241120000

PLUG

1шт.

11

VV12915002931

THRUST BEARING

Metal, Thrust

2шт.

12

VV12915001200

STUD

18шт.

13

VV12968501350

GASKET

1шт.

14

VV12900102931

PLATE

Metal, Main

5шт.

15

VV12915002871

PLATE

Metal, Main 0.25US

5шт.

16

VV12915002941

PLATE

Metal, Thrust 0.25

1шт.

Выбрано товаров: 17