Качественные детали и логистика
Оригинальные и аналоговые запчасти с доставкой по России, Казахстану и Беларуси
©2022 PartSell ООО "Система" ИНН 2463123282 ОГРН 1212400004838
Центральный офис: г. Красноярск, Академика Киренского, д.87, пом.4
Телефон: 8 (800) 777-65-74 Email: zakaz@partsell.ru
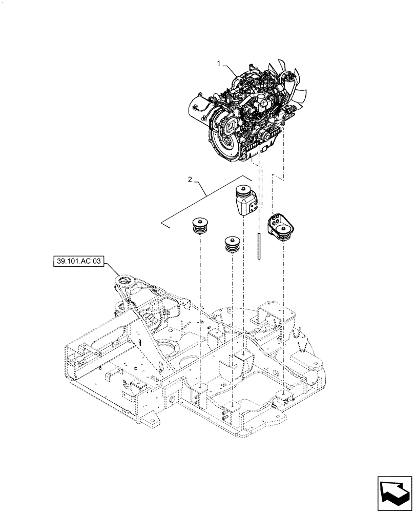
(10.001.AK[01]) - ENGINE MOUNTING, WITHOUT AIRCONDITIONER
№
Артикул
Название
Примечание
Количество
.
Engine Install, Air Conditioner Less, PS02P00001F2
1шт.
1
PS02P00004F1
ENGINE
Assembly (4TNV88C-PYB)
2
PS02P00002F2
Install
Выбрано товаров: 0