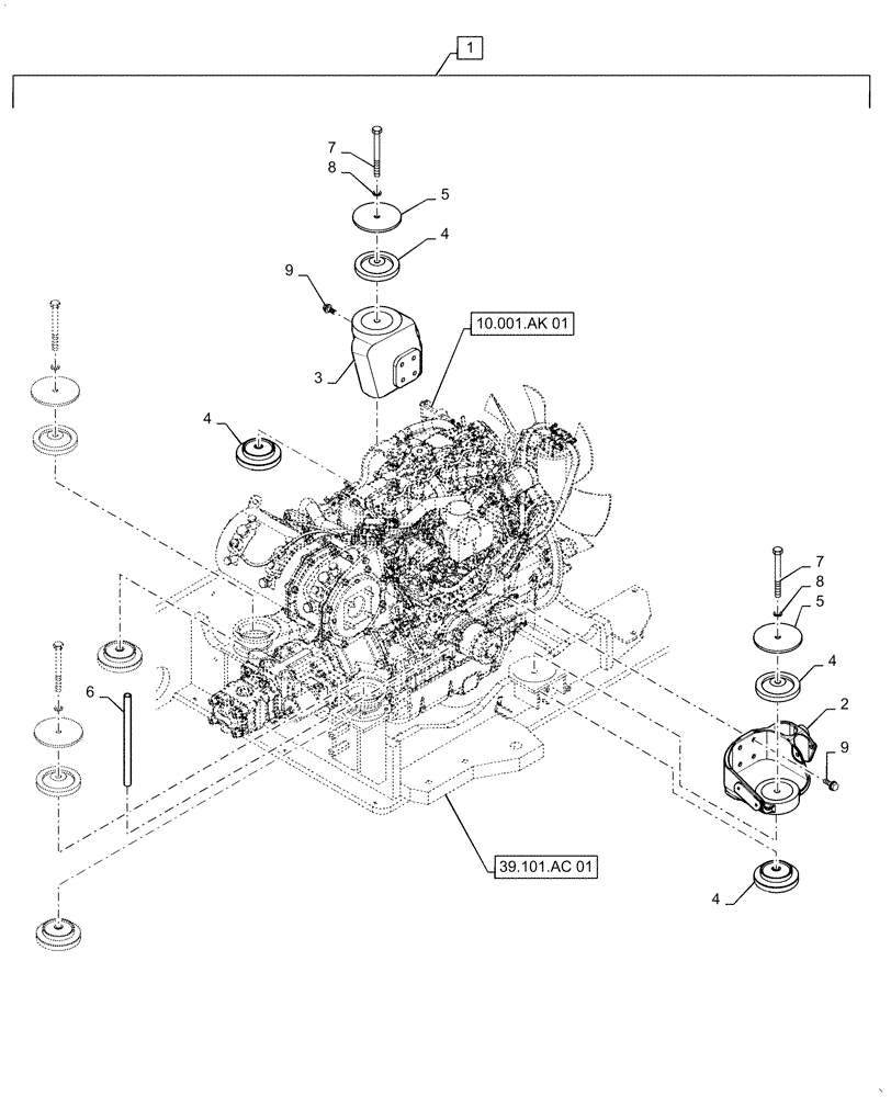
Запчасти Case CX55B (10.001.AK[02]) - ENGINE MOUNT, CAB (10) - ENGINE

Схема запчастей Case CX55B - (10.001.AK[02]) - ENGINE MOUNT, CAB (10) - ENGINE
5
10.001.ak 01
4
8
4
5
7
7
8
1
2
39.101.ac 01
4
9
9
3
4
6
FIT
1:1
100%

Артикул

Название

Примечание

Количество

1

PS02P00002F1

ENGINE

Install, Incl 2 - 9

1шт.

2

PS02P01006P1

BRACKET

1шт.

3

PS02P01002P1

BRACKET

1шт.

4

PS02P01003P1

RUBBER MOUNTING

8шт.

5

YT02P01042P1

PLATE

4шт.

6

PW02P01047D1

HOSE,12mm ID x 250mm L

1шт.

7

ZS18C12120

SCREW,Hex, M12 x 120mm

Cap

4шт.

8

ZW16H12000

WASHER

4шт.

9

ZM73C10025

BOLT,M10x25mm - Course Thread

Sems

8шт.

Выбрано товаров: 0