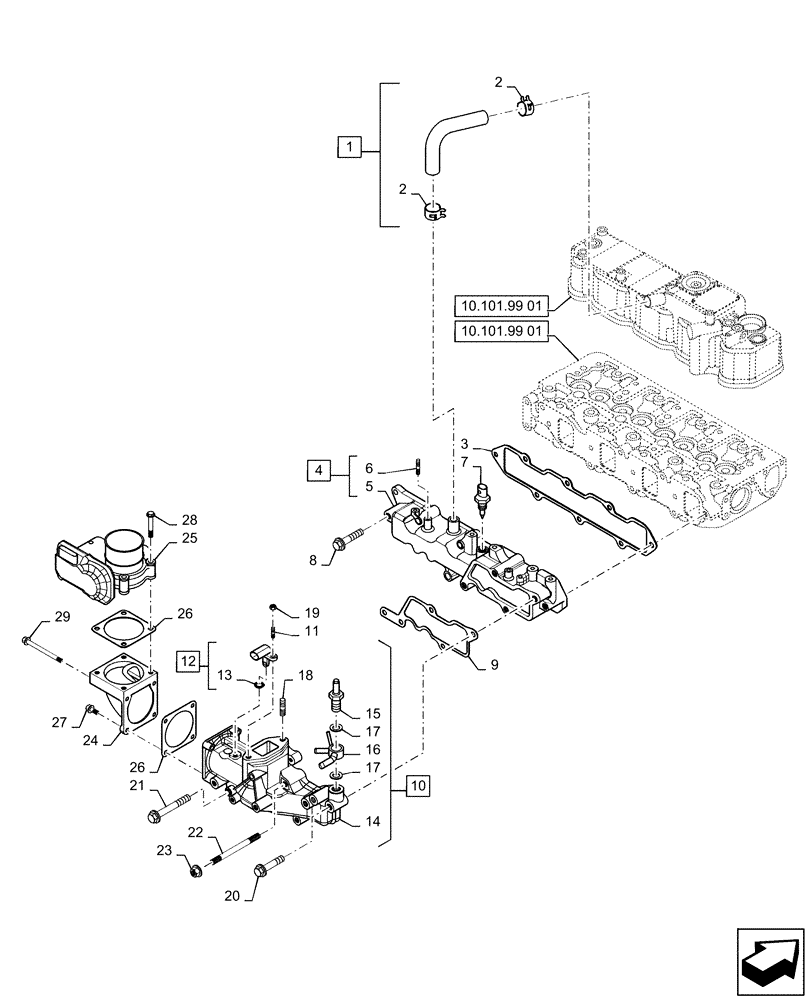
Запчасти Case CX55B (10.254.AM[01]) - SUCTION MANIFOLD (10) - ENGINE

Схема запчастей Case CX55B - (10.254.AM[01]) - SUCTION MANIFOLD (10) - ENGINE
2
21
17
26
20
5
4
18
7
29
1
22
24
17
23
28
6
27
26
10.101.99 01
2
9
14
8
13
19
11
15
3
16
10
10.101.99 01
12
25
FIT
1:1
100%

Артикул

Название

Примечание

Количество

.

Suction Manifold

1шт.

1

VV12900503080

PIPE

Incl 2

1шт.

2

VV12941003990

CLAMP

2шт.

3

VV129C0012110

GASKET

Intake Manifold

1шт.

4

VV129C0012150

MANIFOLD

Compress, Intake

1шт.

5

VV129C0012100

MANIFOLD

Intake

1шт.

6

VV26216060202

STUD,M6 x 20mm

4шт.

7

VV129A0012720

SENSOR

Air Temp

1шт.

8

VV26106080502

BOLT,M8 x 50mm

5шт.

9

VV129A0012810

GASKET

Collector

1шт.

10

VV129A0012851

HOUSING

Collector, Intake Compress

1шт.

11

VV11966001570

STUD

1шт.

12

VV129A0012711

SENSOR

Air Temp

1шт.

13

VV129A0012790

O-RING

Temp Sensor

1шт.

14

VV129A0012830

HOUSING

Collector, Intake

1шт.

15

VV129A0059110

JOINT

Hose

1шт.

16

VV129A0059120

JOINT

Hose

1шт.

17

VV22190140002

GASKET

Seal

2шт.

18

VV26216080252

STUD,M8 x 25mm

2шт.

19

VV26716060002

NUT,M6

1шт.

20

VV26106080502

BOLT,M8 x 50mm

1шт.

21

VV26106080752

SCREW,M8 x 75mm

1шт.

22

VV26216081052

STUD,M8 x 105mm

3шт.

23

VV26306080002

NUT,M8

3шт.

24

VV129A0012820

TUBE

Bend, Inlet

1шт.

25

VV129A0012900

BODY

Throttle, Intake

1шт.

26

VV129A0012910

GASKET

Throttle

2шт.

27

VV26106060202

BOLT,M6 x 20mm

2шт.

28

VV26106060402

BOLT,M6 x 40mm

4шт.

29

VV26106060902

BOLT,M6 x 90mm

2шт.

Выбрано товаров: 30