Запчасти Case CX55B (10.304.AC[01]) - LUB OIL SYSTEM (10) - ENGINE

Схема запчастей Case CX55B - (10.304.AC[01]) - LUB OIL SYSTEM (10) - ENGINE
10.102.bb 01
4
9
3
11
6
home
10.001.ad 01
10
1
15
12
7
8
2
5
14
13
FIT
1:1
100%

Артикул

Название

Примечание

Количество

.

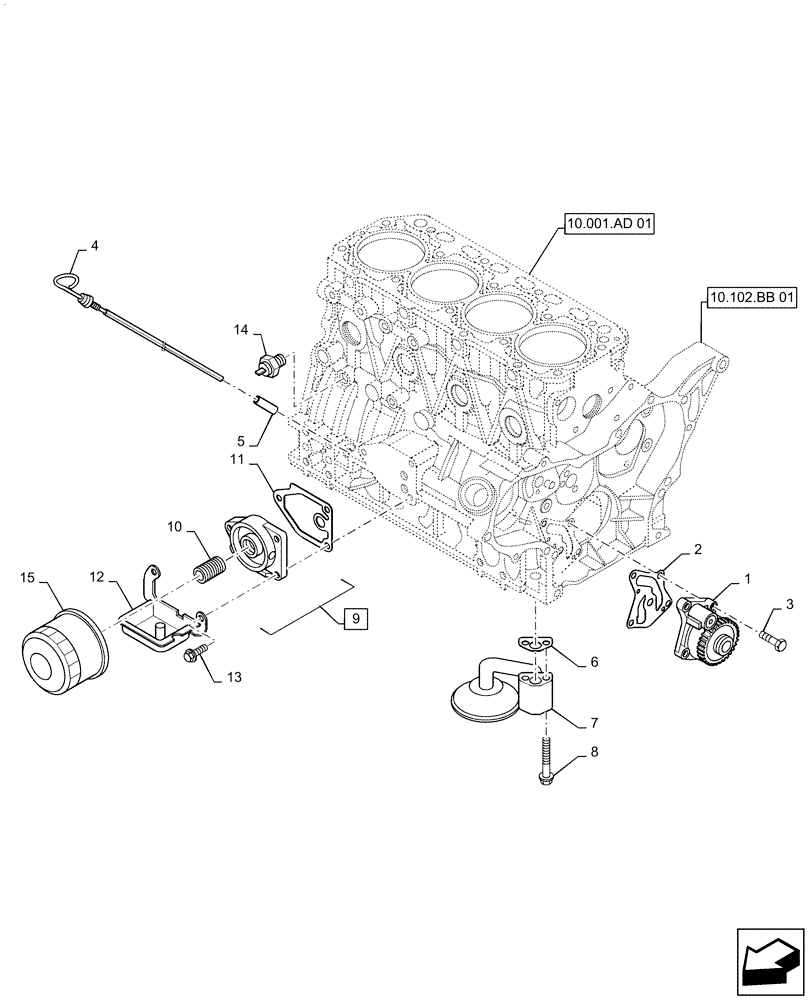
Lub. Oil System

1шт.

1

VV129C0032000

ENGINE OIL PUMP

Assy, Lub

1шт.

2

VV12948632020

GASKET

1шт.

3

VV26450060252

BOLT,M6 x 25mm

4шт.

4

VV12900434802

DIPSTICK

1шт.

5

VV12152034810

GUIDE

1шт.

6

VV12915035042

GASKET

1шт.

7

VV12943635070

PIPE

Assy

1шт.

8

VV26106080552

BOLT,M8 x 55mm

2шт.

9

VV11980235100

BRACKET

Assy, Incl 10

1шт.

10

VV12910035140

STUD

1шт.

11

VV12915035111

GASKET

1шт.

12

VV12924035800

PLATE

Sump, Oil

1шт.

13

VV26106080202

BOLT,M8 x 20mm

3шт.

14

VV11976139450

PRESSURE SWITCH

Engine Oil Pressure

1шт.

15

84160467

ENGINE OIL FILTER

1шт.

Выбрано товаров: 16