Запчасти Case CX55BMSR (01-026[04]) - HYD LINES, UPPER (NIBBLER & BREAKER + ANGLE DOZER) (35) - HYDRAULIC SYSTEMS

Схема запчастей Case CX55BMSR - (01-026[04]) - HYD LINES, UPPER (NIBBLER & BREAKER + ANGLE DOZER) (35) - HYDRAULIC SYSTEMS
6
5
1
10
11
18
8
14
2
4
home
15
9
16
13
17
7
3
7
12
FIT
1:1
100%

Артикул

Название

Примечание

Количество

.

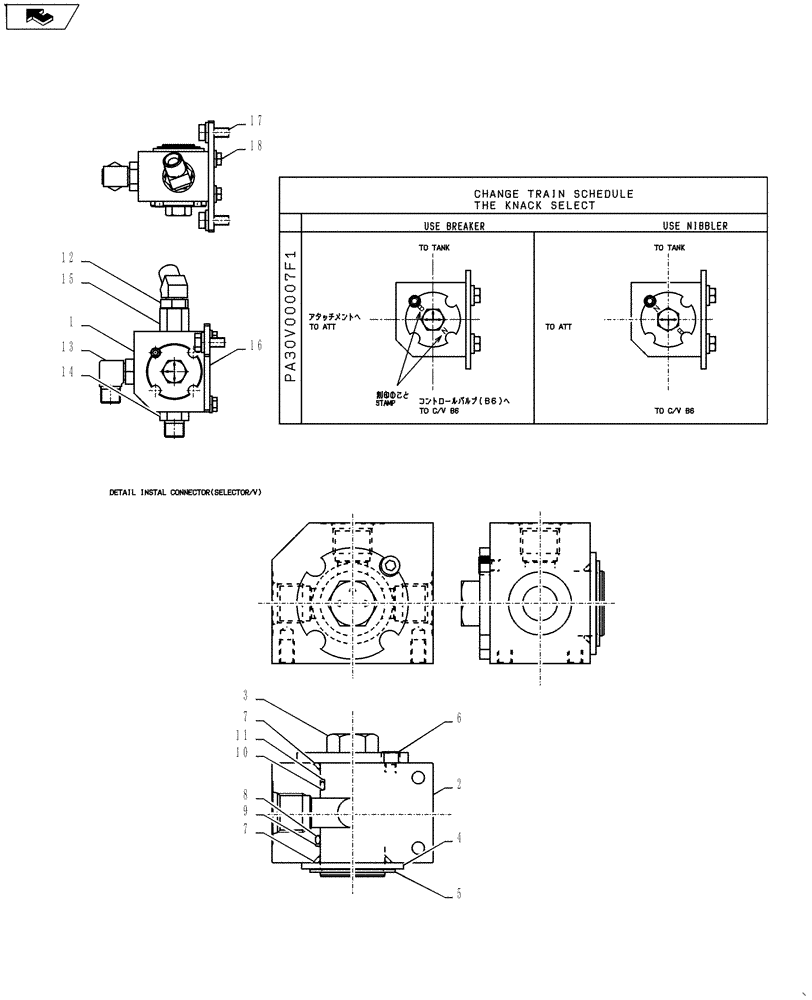
Upp. Hyd Lines (Nibbler & Breaker + Angle Dozer) PY03H00034F1, Start Serial: PS02-00101

1шт.

1

PH30V00007F1

VALVE

Selector

1шт.

2

PH30V01001P1

BODY

1шт.

3

PH30V01002P1

VALVE

Block

1шт.

4

PH30V01003P1

SPACER

1шт.

5

ZR16X03500

RING

Snap

1шт.

6

ZS28C06010

CAPSCREW,Hex Socket Head, M6 x 10mm

1шт.

7

ZD11G03500

O-RING,34.40mm ID x 40.60mm OD x 3.10mm

2шт.

8

ZD12G03500

O-RING,34.40mm ID x 40.60mm OD x 3.10mm

1шт.

9

ZD75G03500

RING

Back-up

1шт.

10

ZD12G03000

O-RING,29.40mm ID x 35.60mm OD x 3.10mm

1шт.

11

ZD85G03000

BACK-UP RING

1шт.

12

HH45S08008G1

45 ELBOW

1шт.

13

HH35S08008G1

90 ELBOW

1шт.

14

HH25S08008G1

HYD CONNECTOR

3шт.

15

HH25R08008GB

HYD CONNECTOR

2шт.

16

PY03H01121P1

BRACKET

1шт.

17

ZM73C10025

BOLT,M10x25mm - Course Thread

Sems

2шт.

18

ZM73C08020

BOLT,M8x20mm - Course Thread

Sems

4шт.

Выбрано товаров: 0