Запчасти Case CX55BMSR (01-029[01]) - HYD LINES, RETURN (35) - HYDRAULIC SYSTEMS

Схема запчастей Case CX55BMSR - (01-029[01]) - HYD LINES, RETURN (35) - HYDRAULIC SYSTEMS
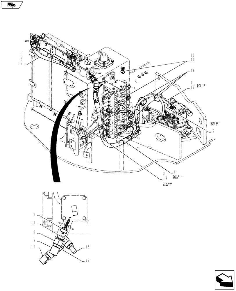
2
6
9
12
14
1
16
11
10
3
8
15
7
13
19
5
home
17
18
4
FIT
1:1
100%

Артикул

Название

Примечание

Количество

.

Hyd Lines Return PY32H00016F1, Start Serial: PS02-00101

1шт.

1

NSS

NOT SOLD SEPARAT

Hyd Lines Return PY32H00010F1

1шт.

2

PY32H01009D1

HOSE

1шт.

3

PW68H01024D4

HOSE

1шт.

4

HX32L06056DX

HOSE

, Serial Range: PS02-00101-PS02-00111

1шт.

5

HX32L06100DX

HOSE

1шт.

6

HX22L12078DX

HOSE

1шт.

7

PW21V00003F1

VALVE

Assy.

1шт.

8

HH25R16012G4

HYD CONNECTOR

1шт.

9

2444Z3405

ELBOW

3шт.

10

HH35S12012G1

ELBOW

1шт.

11

YJ32H01031P1

ELBOW

1шт.

12

ZM73C10016

BOLT,M10x16mm - Course Thread

Sems

2шт.

13

EW02E01015D8

CLIP

2шт.

14

ZC16X01800

CLIP

1шт.

15

ZC16X02800

CLIP

1шт.

16

PY01P01043D5

CABLE TIE,301mm L

3шт.

17

HH55Q12012G1

TEE

1шт.

18

YJ32H01036P1

HYD CONNECTOR

1шт.

19

HX32L06056DX

HOSE

, Start Serial: PS02-00112

1шт.

Выбрано товаров: 0