Запчасти Case CX55BMSR (01-032[04]) - CONTROL LINES, VALVE (ROTARY, HAND CONTROL) (35) - HYDRAULIC SYSTEMS

Схема запчастей Case CX55BMSR - (01-032[04]) - CONTROL LINES, VALVE (ROTARY, HAND CONTROL) (35) - HYDRAULIC SYSTEMS
2
home
8
4
3
7
5
8
12
10
6
9
1
11
FIT
1:1
100%

Артикул

Название

Примечание

Количество

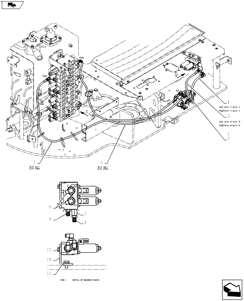
1

PY64H00100F1

Valve

1шт.

2

PW35V00002F1

SOLENOID VALVE

Assy. (Used Nibbler Open/Close Proportional, Revolution Left/Right Proportional, Extra Proportional Left/Right)

1шт.

3

HX24L04190DX

HOSE

1шт.

4

HX24L04145DX

HOSE,6.3mm ID x 1450mm L

1шт.

5

HX24L04034DX

HOSE ASSY.

1шт.

6

HX32L04030DX

HOSE

1шт.

7

2444Z2525

HYD CONNECTOR

1шт.

8

HH35S04004G1

90 ELBOW

3шт.

9

HH35S04004G2

90 ELBOW

1шт.

10

PW64H01108P1

PLATE

1шт.

11

ZM73C10020

BOLT,M10x20mm - Course Thread

Sems

2шт.

12

ZM73C08020

BOLT,M8x20mm - Course Thread

Sems

2шт.

Выбрано товаров: 0