Качественные детали и логистика
Оригинальные и аналоговые запчасти с доставкой по России, Казахстану и Беларуси
©2022 PartSell ООО "Система" ИНН 2463123282 ОГРН 1212400004838
Центральный офис: г. Красноярск, Академика Киренского, д.87, пом.4
Телефон: 8 (800) 777-65-74 Email: zakaz@partsell.ru
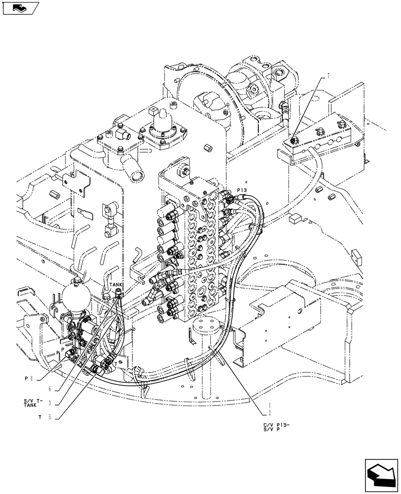
(01-033[05]) - CONTROL LINES, VALVE (CANOPY)
№
Артикул
Название
Примечание
Количество
.
Control Lines Valve (Canopy) PY64H00116F1, Start Serial: PS02-00101
1шт.
1
NSS
NOT SOLD SEPARAT
Control Lines Valve PY64H00096F1
2
HX34L04130DX
HOSE,6.3mm ID x 1300mm L
3
PW68H01023D2
HOSE
4
HH35S04004G1
90 ELBOW
5
HH35S06006G1
90 ELBOW,90 Degree, 3/8" PF x 3/8" PF x 60mm L
6
ZC16X01800
CLIP
7
YN64H01391D1
CAP
Выбрано товаров: 0