Запчасти Case CX55BMSR (01-034[02]) - CONTROL LINES, REMOTE (35) - HYDRAULIC SYSTEMS

Схема запчастей Case CX55BMSR - (01-034[02]) - CONTROL LINES, REMOTE (35) - HYDRAULIC SYSTEMS
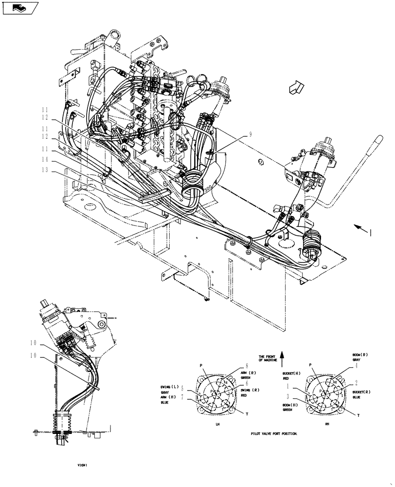
10
4
11
11
14
5
6
8
11
1
10
home
12
3
2
9
7
13
12
FIT
1:1
100%

Артикул

Название

Примечание

Количество

.

Remote Control Lines PY68H00029F1

1шт.

1

HX23L04250DR

HOSE

1шт.

2

HX23L04160DB

HOSE

1шт.

3

HX23L04180DG

HOSE

1шт.

4

HX23L04175DH

HOSE

1шт.

5

HX23L04260DH

HOSE

1шт.

6

HX23L04320DR

HOSE

1шт.

7

HX23L04260DB

HOSE

1шт.

8

HX23L04250DG

HOSE

, Serial Range: PS02-00101-PS02-01552

1шт.

8

HX23L04260DG

HOSE

, Start Serial: PS02-01553

1шт.

9

PY01P01043D3

CABLE TIE,188mm L

1шт.

10

PY01P01043D5

CABLE TIE,301mm L

5шт.

11

PY01P01043D8

CABLE TIE,102mm L

11шт.

12

YN13E01375P1

CLIP,M8 x 8.20mm Shank

3шт.

13

YN64H01068DG

RUBBER INSULATOR

1шт.

14

YT64H01029DD

RUBBER SEAL

1шт.

Выбрано товаров: 0