Запчасти Case CX55BMSR (01-038[01]) - CONTROL LINES, PROPEL (35) - HYDRAULIC SYSTEMS

Схема запчастей Case CX55BMSR - (01-038[01]) - CONTROL LINES, PROPEL (35) - HYDRAULIC SYSTEMS
4
9
10
11
13
6
7
5
1
3
8
home
12
2
5
14
FIT
1:1
100%

Артикул

Название

Примечание

Количество

.

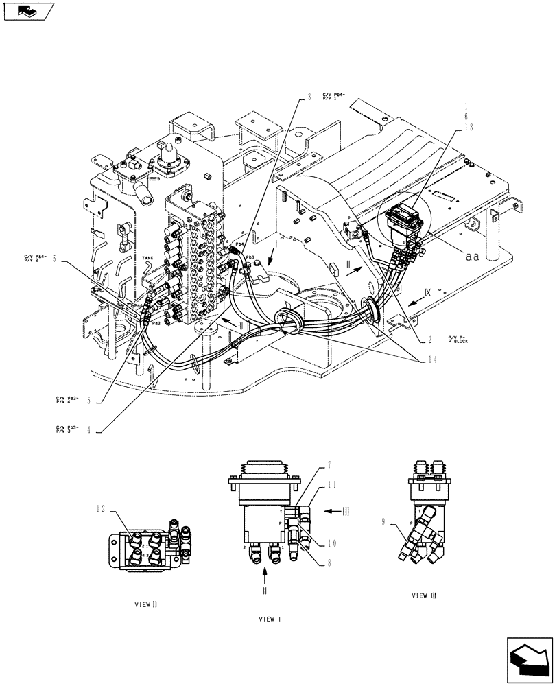
Control Lines Propel PY62H00028F1

1шт.

1

PM30V00019F7

PILOT VALVE

, Serial Range: PS02-00101-PS02-01836

1шт.

1

PX30V00082F2

PILOT VALVE

, Start Serial: PS02-01837

1шт.

2

HX34L04030DX

HOSE

1шт.

3

HX24L06110DX

HOSE

1шт.

4

HX34L06115DX

HOSE

1шт.

5

HX24L06155DX

HOSE

2шт.

6

PW62H01003P1

PLATE

, Serial Range: PS02-00101-PS02-01836

2шт.

7

2444Z2525

HYD CONNECTOR

1шт.

8

PH62H01004P1

HYD CONNECTOR

1шт.

9

HH25S06004G3

HYD CONNECTOR

1шт.

10

PH62H01003P1

ELBOW

1шт.

11

2444Z2894

90 ELBOW

1шт.

12

HH45S06004G1

45 ELBOW

4шт.

13

ZM73C08025

BOLT,M8x25mm - Course Thread

Sems

4шт.

14

PH62H01001P1

GROMMET

2шт.

Выбрано товаров: 0