Качественные детали и логистика
Оригинальные и аналоговые запчасти с доставкой по России, Казахстану и Беларуси
©2022 PartSell ООО "Система" ИНН 2463123282 ОГРН 1212400004838
Центральный офис: г. Красноярск, Академика Киренского, д.87, пом.4
Телефон: 8 (800) 777-65-74 Email: zakaz@partsell.ru
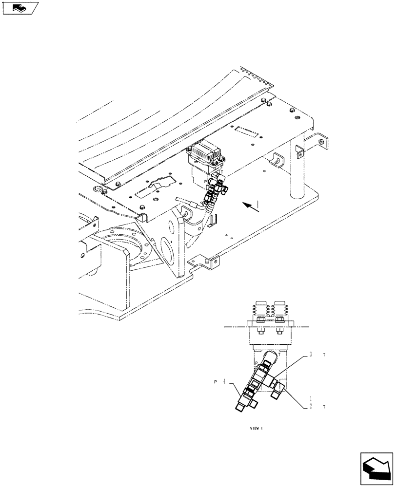
(01-038[04]) - CONTROL LINES, PROPEL
№
Артикул
Название
Примечание
Количество
.
Control Lines Propel PY62H00028F1
1шт.
1
NSS
NOT SOLD SEPARAT
Control Lines Propel PY62H00024F1
2
HH35S04004G1
90 ELBOW
3
HH55Q04004G1
TEE,1/4" ORB x 1/4" JIC x 1/4" JIC
4
HH55L04004G1
TEE
Выбрано товаров: 0