Качественные детали и логистика
Оригинальные и аналоговые запчасти с доставкой по России, Казахстану и Беларуси
©2022 PartSell ООО "Система" ИНН 2463123282 ОГРН 1212400004838
Центральный офис: г. Красноярск, Академика Киренского, д.87, пом.4
Телефон: 8 (800) 777-65-74 Email: zakaz@partsell.ru
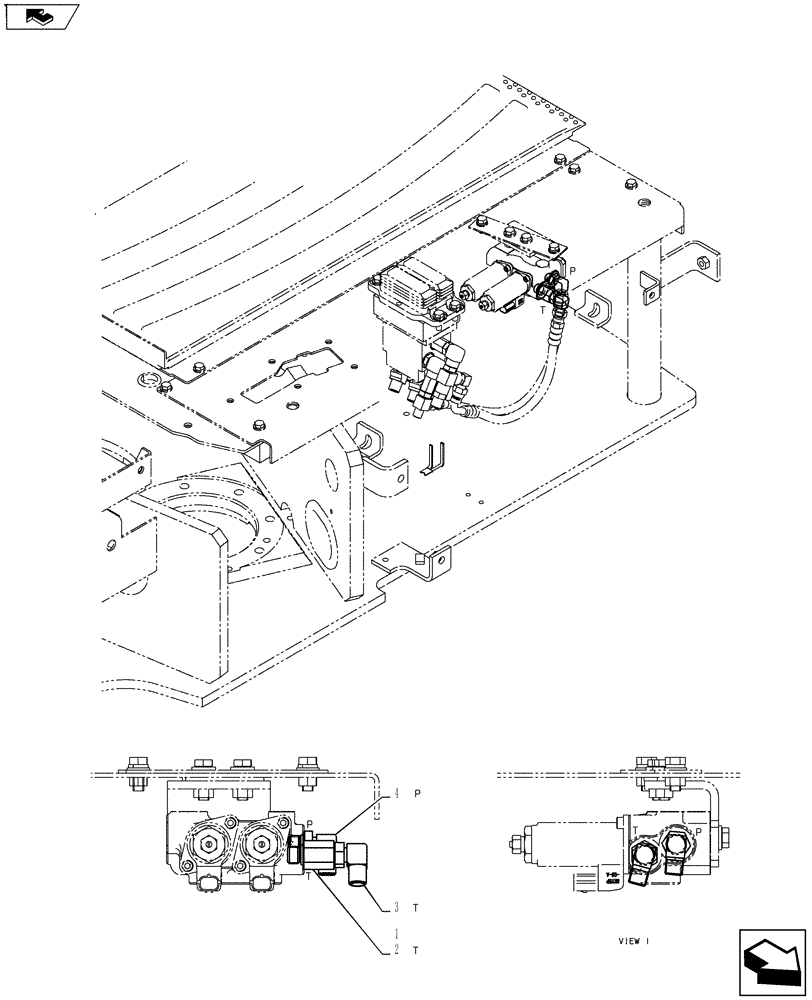
(01-043[03]) - CONTROL LINES, VALVE (HAND CONTROL)
№
Артикул
Название
Примечание
Количество
PY64H00109F1
Valve (Hand Control)
1шт.
1
PY64H00104F1
Valve
2
2444Z2525
HYD CONNECTOR
3
HH35S04004G1
90 ELBOW
4
HH35S04004G2
Выбрано товаров: 0