Качественные детали и логистика
Оригинальные и аналоговые запчасти с доставкой по России, Казахстану и Беларуси
©2022 PartSell ООО "Система" ИНН 2463123282 ОГРН 1212400004838
Центральный офис: г. Красноярск, Академика Киренского, д.87, пом.4
Телефон: 8 (800) 777-65-74 Email: zakaz@partsell.ru
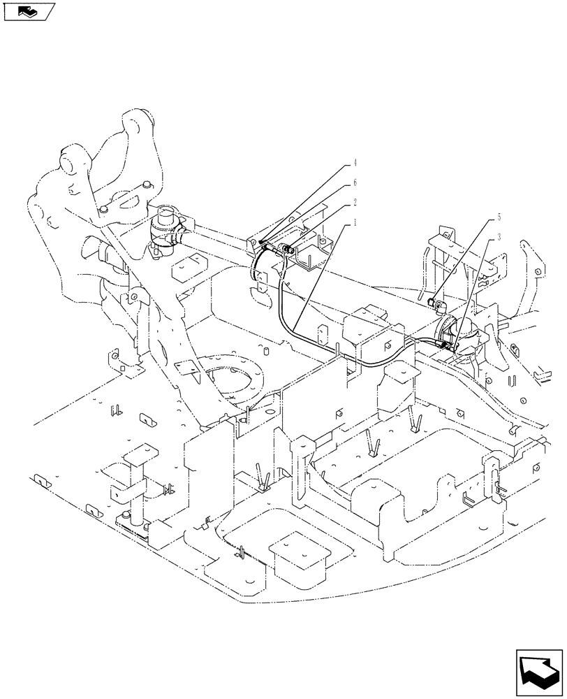
(01-061[00]) - HYD LINES, CYLINDER (SWING)
№
Артикул
Название
Примечание
Количество
PY42H00089F1
Cylinder (Swing)
1шт.
1
PH42H01008DC
HOSE,6.3mm ID x 1050mm L
2
HH25S06006G1
HYD CONNECTOR
3
PV03H01004P1
90 ELBOW
4
ZG91S02000
LUBE NIPPLE,1/8" NPT x 1/8" NPT
5
HH45S06006G1
45 ELBOW
6
ZW16H16000
WASHER
Выбрано товаров: 0