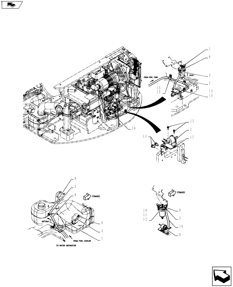
Запчасти Case CX55BMSR (01-005[01]) - FUEL LINES (10) - ENGINE

Схема запчастей Case CX55BMSR - (01-005[01]) - FUEL LINES (10) - ENGINE
14
2
8
15
home
12
8
3
7
1
4
18
4
11
9
13
8
16
15
5
10
14
14
7
8
17
6
FIT
1:1
100%

Артикул

Название

Примечание

Количество

.

Fuel Line Install PY21P00004F1

1шт.

1

PH02P01056P1

SEPARATOR

1шт.

2

PW22P00001P1

FUEL PUMP

1шт.

3

PY21P01023D1

HOSE

1шт.

4

PR21P01018D6

HOSE

1шт.

5

PH21P01008DA

HOSE

1шт.

6

HX81X13195DX

TUBE

1шт.

7

HX81X13250DX

TUBE

1шт.

8

PH05P01088D5

CLIP

8шт.

9

PH05P01088D6

CLIP

4шт.

10

ZS18C08075

SCREW,Hex, M8 x 75mm

Cap

1шт.

11

ZW16P08000

WASHER

1шт.

12

ZW26X08000

LOCK WASHER

1шт.

13

ZM73C06020

BOLT,M6x20mm - Course Thread

Sems

2шт.

14

ZM73C10020

BOLT,M10x20mm - Course Thread

Sems

7шт.

15

ZC46X19011

CLIP

4шт.

16

HX11Y04042DX

FLEXIBLE HOSE,6mm ID x 420mm L

1шт.

17

PY21P01021P1

BRACKET

1шт.

18

HX81X13028DX

TUBE

1шт.

Выбрано товаров: 19