Запчасти Case CX55BMSR (02-017[03]) - MOTOR INSTALL, PROPEL (35) - HYDRAULIC SYSTEMS

Схема запчастей Case CX55BMSR - (02-017[03]) - MOTOR INSTALL, PROPEL (35) - HYDRAULIC SYSTEMS
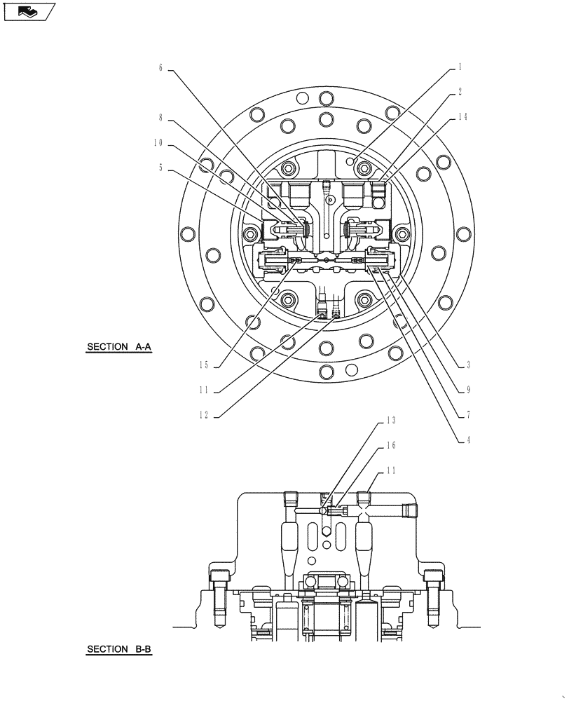
2
10
8
4
1
14
3
16
5
11
11
15
7
12
home
9
13
6
FIT
1:1
100%

Артикул

Название

Примечание

Количество

PY53D00004F1

Propel

1шт.

PH15V00012F1

HYDRAULIC MOTOR

Assy, Incl 1 - 16

1шт.

1

PY15V00006S142

PIN

2шт.

2

2441U995S192

PLUG

2шт.

3

PH15V00009S224

PLUG

2шт.

4

PH15V00009S225

SEAT

2шт.

5

2441U831S126

PLUG

2шт.

6

2441U831S127

VALVE

Check

2шт.

7

PH15V00009S228

SPRING

2шт.

8

2441U831S130

SPRING

2шт.

9

ZD12P02200

O-RING

2шт.

10

ZD12P01200

O-RING

2шт.

11

YX15V00003S146

PLUG

4шт.

12

PY15V00006S154

PLUG

6шт.

13

PH15V00009S268

BALL

1шт.

14

ZD12P01100

O-RING

2шт.

15

PH15V00009S275

ORIFICE

5шт.

16

PH15V00009S280

PLUG

1шт.

PH15V00012R330

VALVE

Repair Kit, Consists Of Item: 13(1), 16(1), 2(2), 3(2), 4(2), 5(2), 6(2), 7(2), 8(2), 9(2), 10(2), 14(2), 11(4), 15(5), 12(6)

1шт.

Выбрано товаров: 0