Запчасти Case CX55BMSR (02-006[00]) - IDLER ASSY, CRAWLER (BTW PS02-00102 - PS02-01953) (48) - TRACKS & TRACK SUSPENSION

Схема запчастей Case CX55BMSR - (02-006[00]) - IDLER ASSY, CRAWLER (BTW PS02-00102 - PS02-01953) (48) - TRACKS & TRACK SUSPENSION
3
14
18
7
20
16
17
26
9
8
6
27
21
2
24
8
5
2
7
15
26
13
9
12
19
25
23
13
20
11
4
22
1
27
home
10
11
14
10
12
FIT
1:1
100%

Артикул

Название

Примечание

Количество

.

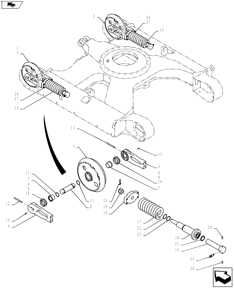
Idler Assembly, Crawler PY52D00028F1

1шт.

1

PY52D00026F1

IDLER

Assembly, Incl 2 - 27

2шт.

2

PY52D00027F1

IDLER

Assembly, Incl 3 - 13

1шт.

3

PY52D00033P1

IDLER

1шт.

4

PY52D01021P1

COLLAR

1шт.

5

PY52D01022P1

COLLAR

1шт.

6

PY52D01008P1

SHAFT

1шт.

7

PY52D01009P1

BUSHING,45mm ID x 50mm OD x 37.5mm L

2шт.

8

2445R439F1

SEAL,64mm ID x 85.2mm OD x 28mm Thk

Floating, Incl 9 - 10

2шт.

9

2445R439S1

SEAL

2шт.

10

2445R439S2

O-RING

2шт.

11

ZD12G04000

O-RING,39.40mm ID x 45.60mm OD x 3.10mm

2шт.

12

ZP26D10100

PIN

Spring

2шт.

13

PV52D01007P1

PLUG

2шт.

14

PY54D00007F1

ADJUSTER

Assembly, Incl 15 - 25

1шт.

15

PY01V01022P1

PISTON

1шт.

16

PY70V00006P1

CYLINDER

1шт.

17

PY54D01018P1

SPRING

1шт.

18

PY54D01019P1

PLATE

1шт.

19

PY54D01015P1

NUT

1шт.

20

PX54D01014P1

PIN,10mm OD x 24mm L

2шт.

21

PY54D01020P1

SEAL

1шт.

22

ZD12P04500

O-RING

1шт.

23

ZD85P04500

BACK-UP RING

1шт.

24

ZP16D06056

PIN

Split

1шт.

25

PX80B01026P1

LUBE NIPPLE

1шт.

26

ZS18C10050

SCREW,Hex, M10 x 50mm

Cap

4шт.

27

PY52D01023P1

WASHER

4шт.

Выбрано товаров: 0