Запчасти Case CX55BMSR (01-049[01]) - CONTROLS, OPERATORS (90) - PLATFORM, CAB, BODYWORK AND DECALS

Схема запчастей Case CX55BMSR - (01-049[01]) - CONTROLS, OPERATORS (90) - PLATFORM, CAB, BODYWORK AND DECALS
7
14
1
5
10
17
home
3
14
16
8
4
6
9
13
12
2
15
18
12
11
12
FIT
1:1
100%

Артикул

Название

Примечание

Количество

.

Operators Controls PY03M00021F1

1шт.

.

Control Box Assembly PY03M00018F1

1шт.

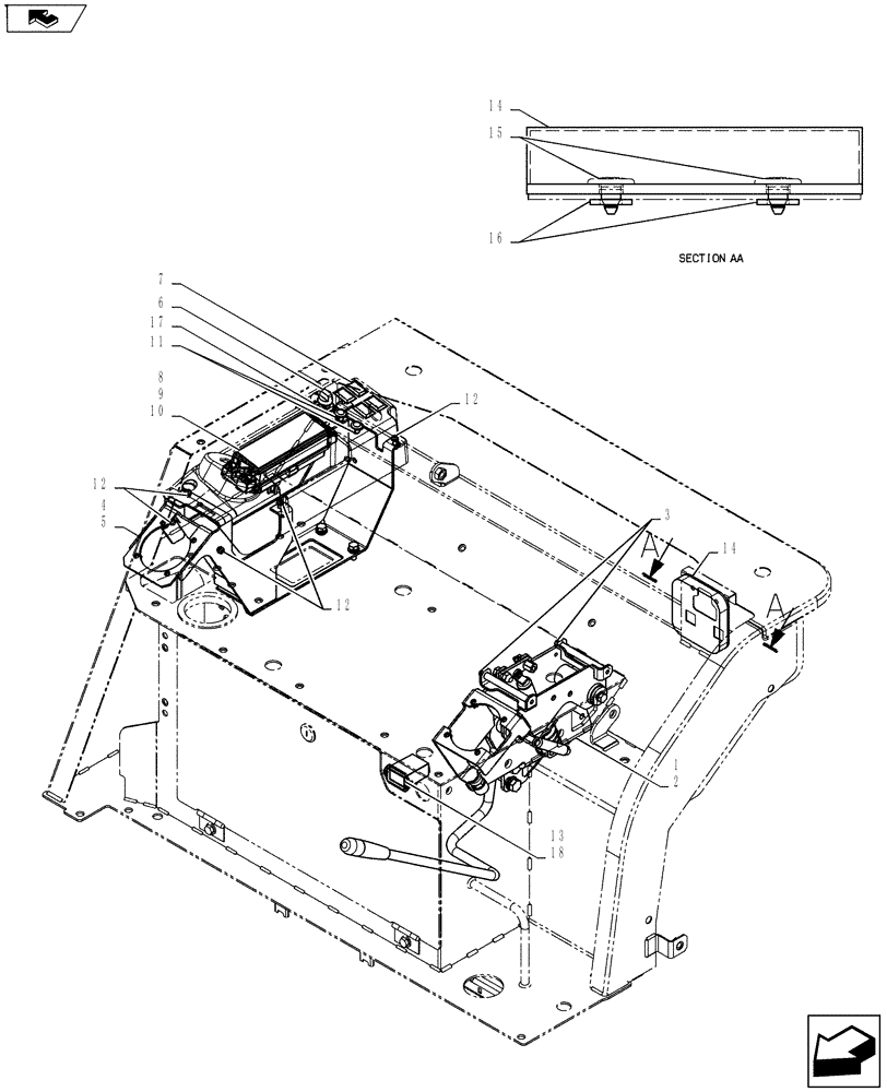
1

PW03M01500F1

CONTROL

1шт.

2

ZM22C10030

BOLT

Sems

3шт.

3

PW03M01319P1

BOLT

Sems

2шт.

4

PY03M01300P1

BOX

1шт.

5

ZM22C08020

BOLT

Sems

4шт.

6

PV24E01001P2

SWITCH

Boom & Machine Work Light

1шт.

7

2414T4530

CAP

4шт.

7

2479U1190F16

SWITCH

Travel Alarm Select

1шт.

8

PH59S00005F1

GAUGE ASSY.

Cluster

1шт.

9

ZS32T40016

SCREW

Cross Tapping

4шт.

10

ZW16K04000

WASHER

4шт.

11

PW17M01021P1

CAP

2шт.

12

PW03M01717D1

BOLT,Torx, Truss HD, M5 x 0.8 x 16mm

Sems

6шт.

13

PA58S00001P1

HOURMETER

1шт.

14

YT17M01034P2

HOLDER

1шт.

15

YT02C01296P1

RIVET

2шт.

16

ZW16X06000

WASHER

2шт.

17

PW17M01020P1

LABEL

Light Switch (On/Off)

1шт.

18

ZM46C03012

BOLT

Sems

2шт.

Выбрано товаров: 21